Appareil de protection combinée TD-4/I pour systèmes ISDN et DSL

Réf. 5081690 | EAN 4012196034352

5081690 / TD-4/I
4
120 V
170 V
RJ11
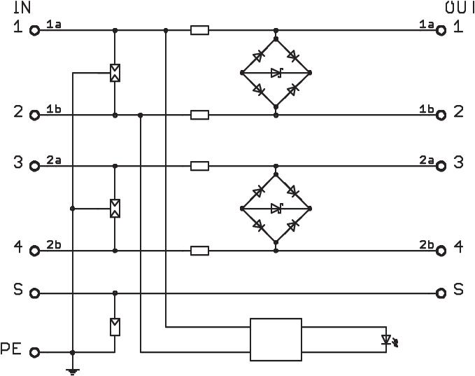
Description du produit
Description du produit
Parasurtenseur pour câble de données de système de télécommunication


• Excellent niveau de protection en cas de charge de courant élevée

• Bornes « Push-In » pour une installation rapide

• Largeur de bande optimisée pour une transmission fiable

• Montage mural

• Voyant d'état


Application : systèmes DSL, RNIS ou télécommunications analogiques
  • Garantie 5 ans
  • Communautés Européennes, Déclaration de conformité CE selon les directives CE
  • Indice de protection IP 54
  • Passage de ZPF 0 jusqu'à 3
  • Integrated Service Digital Network = liaison numérique RNIS
  • Digital Subscriber Line, liaison DSL
  • Liaison analogique
  • Expertise électrotechnique de l'installation
  • Empreinte CO₂ (PCF)
  • Emballage sans plastique
  • Emballage intégralement composé de carton recyclé
Caractéristiques techniques

Caractéristiques techniques

Affaiblissement d’insertion (insertion loss) ≤3 dB
Capacité (ligne/ligne) <50 pF
Capacité (ligne/terre) <10 pF
Connectique RJ11
Contact de télécommunication non
Couleur blanc
Courant de charge nominal CA 0,14 A
Courant de charge nominal CC 0,2 A
Courant de choc de décharge 2,5 kA
Courant de choc de décharge total (10/350) D1: 12,5 kA
Courant de décharge total (8/20) 25 kA
Dimension 170V
Empreinte CO2 (GWP) du berceau à la porte 0,4171 kg CO2e / 1 Pièce
Fréquence limite 100 MHz
Indice de protection IP54
Kategorie Type 1+2+3 / D1+C2+C1
Matériau Plastique
Modèle testé antidéflagrant non
Niveau de protection blindage - terre (S-PE) 850 V
Niveau de protection fil/fil <300 V
Niveau de protection fil/terre <650 V
Nombre de pôles 4
Norme de contrôle CEI 61643-21
Plage de températures d’utilisation max. 80 °C
Plage de températures d’utilisation min. -40 °C
Raccordement du blindage indirect
Raccordement du blindage disponible oui
Résistance au courant de choc fil - fil C2: 18 kV / 9 kA (8/20µs)
Résistance au courant de choc fil - terre C2: 18 kV / 9 kA (8/20µs)
Résistance d’isolation >1 MΩ
Résistance série par voie 9 Ω ± 10 %
Section de raccordement flexible max. 0,75 mm²
Section de raccordement flexible min. 0,14 mm²
Section de raccordement multifilaire max. 0,75 mm²
Section de raccordement multifilaire min. 0,14 mm²
Section de raccordement rigide max. 0,75 mm²
Section de raccordement rigide min. 0,14 mm²
Signalisation sur l'appareil optique
SPD selon CEI 61643-21 Classe I+II+III / D1+C2+C1
Supervision de parafoudre non
Tension max. permanente CA 120 V
Tension max. permanente CC 170 V
ZPF 0→3
Tous les types

Tous les types

Type Nombre de pôles Tension max. permanente CA Tension max. permanente CC Connectique Réf. Quantité Plus petite unité de vente
TD-4/I 4 120 V 170 V RJ11 5081690
1 Pièce
Téléchargements

Télécharger

Télécharger

Déclaration de conformité UE TD-4/I / 5081690 , 0.13MB , pdf
Télécharger
REACH Déclaration de conformité TD-4/I / 5081690 , 0.12MB , pdf
RoHS Déclaration de conformité TD-4/I / 5081690 , 0.12MB , pdf

Télécharger
Télécharger

TD-4/I / 5081690
Télécharger