Bride Omega A4

Réf. 1124753 | EAN 4012195805304

1124753 / GMS 3 O 4141 A4
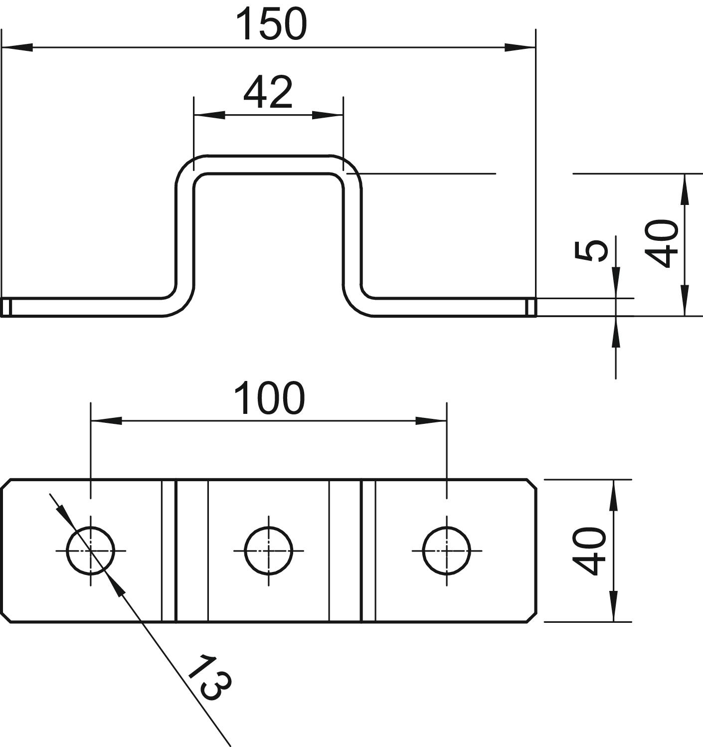
150 mm
40 mm
avec perçage traversant 13 mm
Description du produit
Description du produit
Équerre 3 trous pour le raccordement en croix de rails profilés 41 x 41 mm.
  • Communautés Européennes, Déclaration de conformité CE selon les directives CE
  • Empreinte CO₂ (PCF)
Caractéristiques techniques

Caractéristiques techniques

Avec accessoires pour vis non
Convient pour formes de profilé Profilé en C
Dimension 150x45x40x4
Dimension du trou 13 mm
Empreinte CO2 (GWP) du berceau à la porte 1,6478 kg CO2e / 1 Pièce
Épaisseur du matériau 5 mm
Hauteur 45 mm
Largeur 40 mm
Longueur 150 mm
Matériau Acier inoxydable 1.4571
Modèle avec perçage traversant 13 mm
Surface nu, traité
Tous les types

Tous les types

Type Longueur Largeur Modèle Réf. Quantité Plus petite unité de vente
GMS 3 O 4141 A4 150 mm 40 mm avec perçage traversant 13 mm 1124753
10 Pièce
Téléchargements

Télécharger

Télécharger

GMS 3 O 4141 A4 / 1124753
Télécharger