Chemin de câbles MKS-Magic® 110 FT

Réf. 6059175 | EAN 4012195831044

3050 mm
110 mm
1 mm
non
zinc
Acier
galvanisé à chaud par trempage
Description du produit
Description du produit
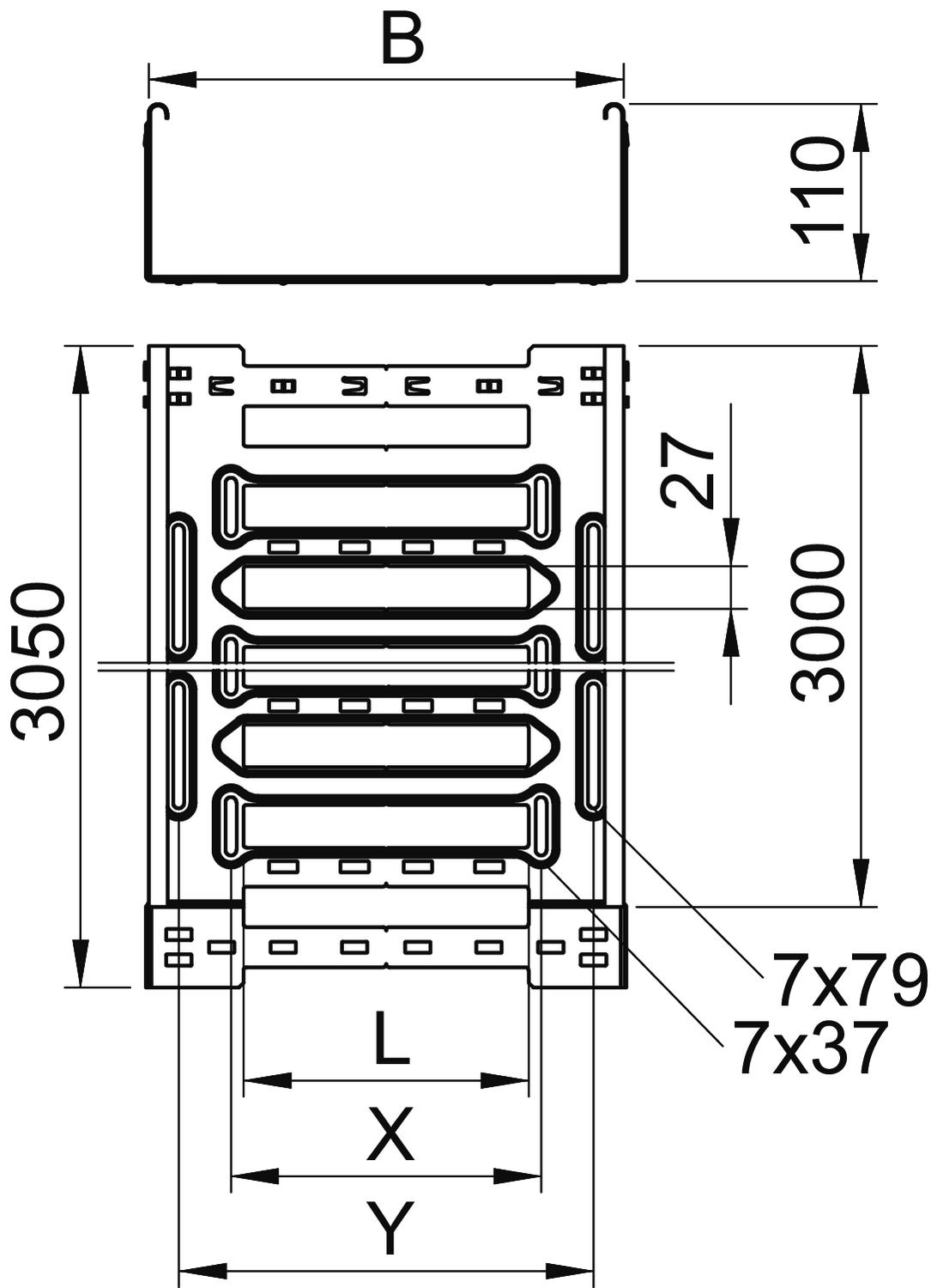
Chemin de câbles avec système de fixation rapide intégré La longueur utile des chemins de câbles est de 3 000 mm.

Le chemin de câble dispose d'une perforation latérale continue de 7 x 20 mm pour l'installation d'éléments de montage et de raccordement supplémentaires.

À partir d’une largeur de goulotte de 200 mm avec un pourcentage de trous de 30%, peut être utilisé dans des installations d’arrosage automatique selon la norme VdS 2092.

La liaison équipotentielle constante est garantie sans élément supplémentaire.

  • Verband der Elektrotechnik, Elektronik, Informationstechnik e.V., Allemagne
  • Communautés Européennes, Déclaration de conformité CE selon les directives CE
  • Déclaration de conformité UKCA
  • Déclaration environnementale de produits (EPD)
  • Empreinte CO₂ (PCF)
Caractéristiques techniques

Caractéristiques techniques

Acier inoxydable, teint non
Atténuation magnétique du blindage avec couvercle 50 dB
Atténuation magnétique du blindage sans couvercle 20 dB
Avec couvercle non
Cote B 150 mm
Cote L 30 mm
Cote x 46 mm
Cote y 112 mm
Couleur zinc
Dimension 110x150x3050
Distance entre supports 2,0m 1,5 kN/m
Distance entre supports 1,5m 2 kN/m
Distance entre supports 3,0m 0,7 kN/m
Empreinte CO2 (GWP) du berceau à la porte 7,2262 kg CO2e / 1 Mètre
Épaisseur de tôle 1 mm
Hauteur 110 mm
Largeur 150 mm
Longueur 3050 mm
Longueur utile 3000 mm
Maintien en fonction non
Matériau Acier
Modèle longue portée non
Perforation de montage dans le fond oui
Perforation latérale oui
Schéma de perçage NATO non
Section utile 16100 mm²
Section utile 161 cm²
Surface galvanisé à chaud par trempage
Type de raccord du système de chemin de câble Fixation à déclic
Type de test de charge selon CEI 61537 Type II
Version du connecteur raccord intégré

Caractéristiques techniques

Diagramme de charge du chemin de câbles MKSM 110

Diagramme de charge du chemin de câbles MKSM 110
  • Charge de chemins de câbles/d'échelles à câbles en kN/m sans charge d'homme Charge de chemins de câbles/d'échelles à câbles en kN/m sans charge d'homme
  • Portée en m Portée en m
  • Déflexion de l'aile en mm avec kN/m autorisé Déflexion de l'aile en mm avec kN/m autorisé
  • Schéma de charge pour le procédé de contrôle Schéma de charge pour le procédé de contrôle
  • Courbe de charge avec largeur du chemin de câbles/de l'échelle à câbles en mm Courbe de charge avec largeur du chemin de câbles/de l'échelle à câbles en mm
  • Courbe de déflexion de l'aile en fonction de l'écartement Courbe de déflexion de l'aile en fonction de l'écartement
Tous les types

Tous les types

Type Longueur Largeur Hauteur Épaisseur de tôle Maintien en fonction Couleur Matériau Surface Réf. Quantité Plus petite unité de vente
MKSM 110 FT 3050 mm 100 mm 110 mm 1 mm non zinc Acier galvanisé à chaud par trempage 6059173
3 m
MKSM 115 FT 3050 mm 150 mm 110 mm 1 mm non zinc Acier galvanisé à chaud par trempage 6059175
3 m
MKSM 120 FT 3050 mm 200 mm 110 mm 1 mm non zinc Acier galvanisé à chaud par trempage 6059177
3 m
MKSM 130 FT 3050 mm 300 mm 110 mm 1 mm non zinc Acier galvanisé à chaud par trempage 6059179
3 m
MKSM 140 FT 3050 mm 400 mm 110 mm 1 mm non zinc Acier galvanisé à chaud par trempage 6059181
3 m
MKSM 150 FT 3050 mm 500 mm 110 mm 1 mm non zinc Acier galvanisé à chaud par trempage 6059183
3 m
MKSM 160 FT 3050 mm 600 mm 110 mm 1 mm non zinc Acier galvanisé à chaud par trempage 6059185
3 m
Accessoires

Accessoires système

Produits Type Réf. Quantité Plus petite unité de vente
Kit d'éclisses droites Magic DD Kit d'éclisses droites Magic DD KTSMV 115 DD 6069114
1 Pièce
Coude à 90° 110 FT Coude à 90° 110 FT RB 90 115 FT 6036832
1 Pièce
Coude à angle réglable 110 FT Coude à angle réglable 110 FT RB W 115 FT 6037322
1 Pièce
Dérivation à monter 110 FT Dérivation à monter 110 FT RAA 115 FT 6042253
1 Pièce
Pièce en T 110 FT Pièce en T 110 FT RT 115 FT 6038322
1 Pièce
Couvercle avec verrou tournant DD Couvercle avec verrou tournant DD DRL 150 DD 6052706
3 m
Séparateur 110 DD Séparateur 110 DD TSG 110 DD 6062335
3 m
Coude variable Magic 110 FT Coude variable Magic 110 FT RBMV 115 FT 6040702
1 Pièce
Téléchargements

Télécharger

Déclaration de conformité UE MKSM 115 FT / 6059175 , 0.13MB , pdf
Télécharger
Déclaration de conformité du Royaume-Uni MKSM 115 FT / 6059175 , 0.09MB , pdf
Déclaration environnementale de produits (EPD) MKSM 115 FT / 6059175 , 1.48MB , pdf
Télécharger

Télécharger

MKSM 115 FT / 6059175
Télécharger