Chemin de câbles SKS-Magic® 60 FS

Réf. 6059456 | EAN 4012195832485

3050 mm
60 mm
1,5 mm
non
zinc
Acier
galvanisé par bande
Description du produit
Description du produit
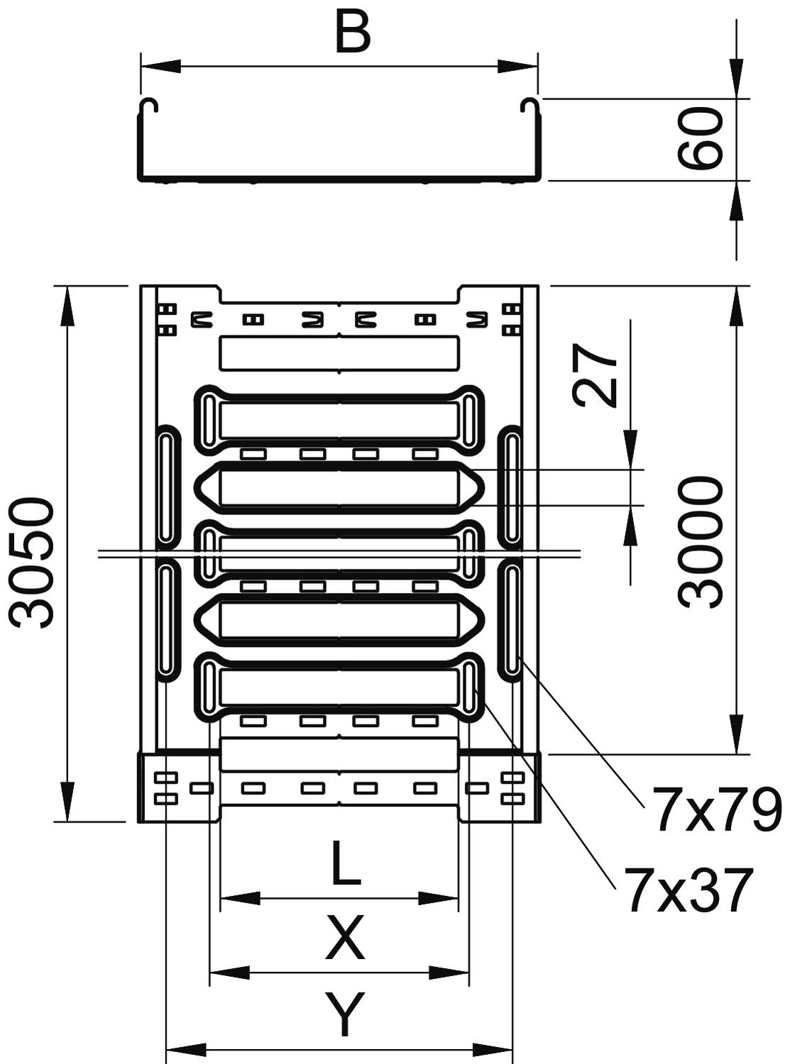
Chemin de câbles avec système de fixation rapide intégré La longueur utile des chemins de câbles est de 3 000 mm.

Le chemin de câble dispose d'une perforation latérale continue de 7 x 20 mm pour l'installation d'éléments de montage et de raccordement supplémentaires.

À partir d’une largeur de 200 mm avec un pourcentage de trous de 30%, selon la directive VdS 2092, peut être utilisé dans des installations d'arrosage automatique.
Atténuation magnétique du blindage sans couvercle 20 dB, avec couvercle 50 dB.

La liaison équipotentielle constante est garantie sans élément supplémentaire.

  • Verband der Elektrotechnik, Elektronik, Informationstechnik e.V., Allemagne
  • Communautés Européennes, Déclaration de conformité CE selon les directives CE
  • Déclaration de conformité UKCA
  • Déclaration environnementale de produits (EPD)
  • Empreinte CO₂ (PCF)
Caractéristiques techniques

Caractéristiques techniques

Acier inoxydable, teint non
Atténuation magnétique du blindage avec couvercle 50 dB
Atténuation magnétique du blindage sans couvercle 20 dB
Avec couvercle non
Classe de charge NEMA 8B
Cote B 100 mm
Cote L 30 mm
Cote y 62 mm
Couleur zinc
Dimension 60x100x3050
Distance entre supports 2,0m 2,25 kN/m
Distance entre supports 1,5m 3 kN/m
Distance entre supports 2,5m 1,58 kN/m
Distance entre supports 3,0m 1 kN/m
Empreinte CO2 (GWP) du berceau à la porte 6,601 kg CO2e / 1 Mètre
Épaisseur de tôle 1,5 mm
Hauteur 60 mm
Largeur 100 mm
Longueur 3050 mm
Maintien en fonction non
Matériau Acier
Modèle longue portée non
Perforation de montage dans le fond oui
Perforation latérale oui
Protection contre l'incendie Utilisation plafonds coupe-feu
Schéma de perçage NATO non
Section utile 5800 mm²
Section utile 58 cm²
Surface galvanisé par bande
Type de raccord du système de chemin de câble Fixation à déclic
Type de test de charge selon CEI 61537 Type II
Version du connecteur raccord intégré

Caractéristiques techniques

Diagramme de charge du chemin de câbles SKSM 60

Diagramme de charge du chemin de câbles SKSM 60
  • Charge de chemins de câbles/d'échelles à câbles en kN/m sans charge d'homme Charge de chemins de câbles/d'échelles à câbles en kN/m sans charge d'homme
  • Portée en m Portée en m
  • Déflexion de l'aile en mm avec kN/m autorisé Déflexion de l'aile en mm avec kN/m autorisé
  • Schéma de charge pour le procédé de contrôle Schéma de charge pour le procédé de contrôle
  • Courbe de charge avec largeur du chemin de câbles/de l'échelle à câbles en mm Courbe de charge avec largeur du chemin de câbles/de l'échelle à câbles en mm
  • Courbe de déflexion de l'aile en fonction de l'écartement Courbe de déflexion de l'aile en fonction de l'écartement
Tous les types

Tous les types

Type Longueur Largeur Hauteur Épaisseur de tôle Maintien en fonction Couleur Matériau Surface Réf. Quantité Plus petite unité de vente
SKSM 610 FS 3050 mm 100 mm 60 mm 1,5 mm non zinc Acier galvanisé par bande 6059456
3 m
SKSM 615 FS 3050 mm 150 mm 60 mm 1,5 mm non zinc Acier galvanisé par bande 6059458
3 m
SKSM 620 FS 3050 mm 200 mm 60 mm 1,5 mm non zinc Acier galvanisé par bande 6059460
3 m
SKSM 630 FS 3050 mm 300 mm 60 mm 1,5 mm non zinc Acier galvanisé par bande 6059462
3 m
SKSM 640 FS 3050 mm 400 mm 60 mm 1,5 mm non zinc Acier galvanisé par bande 6059464
3 m
SKSM 650 FS 3050 mm 500 mm 60 mm 1,5 mm non zinc Acier galvanisé par bande 6059466
3 m
SKSM 660 FS 3050 mm 600 mm 60 mm 1,5 mm non zinc Acier galvanisé par bande 6059468
3 m
Accessoires

Accessoires système

Produits Type Réf. Quantité Plus petite unité de vente
Kit d'éclisses droites Magic® FS Kit d'éclisses droites Magic® FS KTSMV 610 FS 6068914
1 Pièce
Coude à 45° 60 FS Coude à 45° 60 FS RB 45 610 FS 6036100
1 Pièce
Coude à 90° 60 FS Coude à 90° 60 FS RB 90 610 FS 6036560
1 Pièce
Coude à angle réglable 60 FS Coude à angle réglable 60 FS RB W 610 FS 6037100
1 Pièce
Dérivation à monter 60 FS Dérivation à monter 60 FS RAA 610 FS 6042111
1 Pièce
Pièce en T 60 FS Pièce en T 60 FS RT 610 FS 6038100
1 Pièce
Croix 60 FS Croix 60 FS RK 610 FS 7027311
1 Pièce
Couvercle avec verrou tournant FS Couvercle avec verrou tournant FS DRL 100 FS 6052096
3 m
Séparateur 60 FS Séparateur 60 FS TSG 60 FS 6062068
3 m
Téléchargements

Télécharger

Déclaration de conformité UE SKSM 610 FS / 6059456 , 0.13MB , pdf
Télécharger
Déclaration de conformité du Royaume-Uni SKSM 610 FS / 6059456 , 0.09MB , pdf
Déclaration environnementale de produits (EPD) SKSM 610 FS / 6059456 , 1.48MB , pdf
Télécharger

Télécharger

SKSM 610 FS / 6059456
Télécharger