Clamp clip 2056 N-foot, 1-fold, plastic pressure sleeve, A2

Réf. 1188132 | EAN 4012196869091

Description du produit
Description du produit
Clamp clip with N-foot, plastic pressure sleeve made of polypropylene. For vertical and horizontal mounting of 1 single cable on a C-profile rail. For slot width 11‒12 mm With 1-start screw thread on pressure sleeve, universal hexagonal screw head WAF10, with slot and cross recess. Suitable for assembly indoors and outdoors. We recommend the use of a counter-sleeve.
  • Verband der Elektrotechnik, Elektronik, Informationstechnik e.V., Allemagne
  • sans halogène ; sans chlore, fluor et brome
  • Communautés Européennes, Déclaration de conformité CE selon les directives CE
  • Déclaration de conformité UKCA
  • Ouverture : 11-12 mm
  • Bride de fixation rapide pour rail profilé en C, ouverture 11-12 mm
  • Empreinte CO₂ (PCF)
  • Emballage sans plastique
  • Emballage intégralement composé de carton recyclé
Caractéristiques techniques

Caractéristiques techniques

Avec contre-plaque Non
Avec gouttière en plastique oui
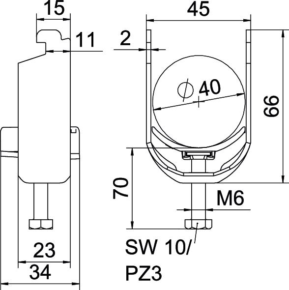
Cote A 22,5 mm
Cote B 45 mm
Cote C 34 mm
Cote L 35 mm
Cote t 2 mm
Dimension 34-40mm
Dimension G (mm) M6
Dimension H 66 mm
Empreinte CO2 (GWP) du berceau à la porte 0,3938 kg CO2e / 1 Pièce
Épaisseur de tôle 2 mm
Filetage M6
Hauteur 66 mm
Largeur 45 mm
Longueur 22,5 mm
Longueur dimensions extérieures 34 mm
Matériau acier inoxydable 1.4301
Matériau de la plaque Plastique
Max. Couple de serrage 3 Nm
Nombre de câbles/tubes 1
Ouverture 10 mm
Plage de serrage D max. 40 mm
Plage de serrage D min. 34 mm
Pour rail avec largeur de fente (avec intervalle) max. 12 mm
Pour rail avec largeur de fente (avec intervalle) min. 11 mm
Qualité du matériau de la plaque Polypropylène
Sans halogène oui
Supplément matériau Acier inoxydable
Supplément surface non traité
Surface nu, traité
Type de montage Rail profilé
Tous les types

Tous les types

Type Plage de serrage D min. Plage de serrage D max. Max. Couple de serrage Réf. Quantité Plus petite unité de vente
BS-N1-K-16 A2 12 mm 16 mm 3 Nm 1188108
50 Pièce
BS-N1-K-22 A2 16 mm 22 mm 3 Nm 1188114
50 Pièce
BS-N1-K-28 A2 22 mm 28 mm 3 Nm 1188120
50 Pièce
BS-N1-K-34 A2 28 mm 34 mm 3 Nm 1188126
50 Pièce
BS-N1-K-40 A2 34 mm 40 mm 3 Nm 1188132
25 Pièce
BS-N1-K-46 A2 40 mm 46 mm 5 Nm 1188138
25 Pièce
Téléchargements

Télécharger

Télécharger

Déclaration de conformité UE BS-N1-K-40 A2 / 1188132 , 0.10MB , pdf
Télécharger
Déclaration de conformité du Royaume-Uni BS-N1-K-40 A2 / 1188132 , 0.09MB , pdf

BS-N1-K-40 A2 / 1188132
Télécharger