- Description du produit
-
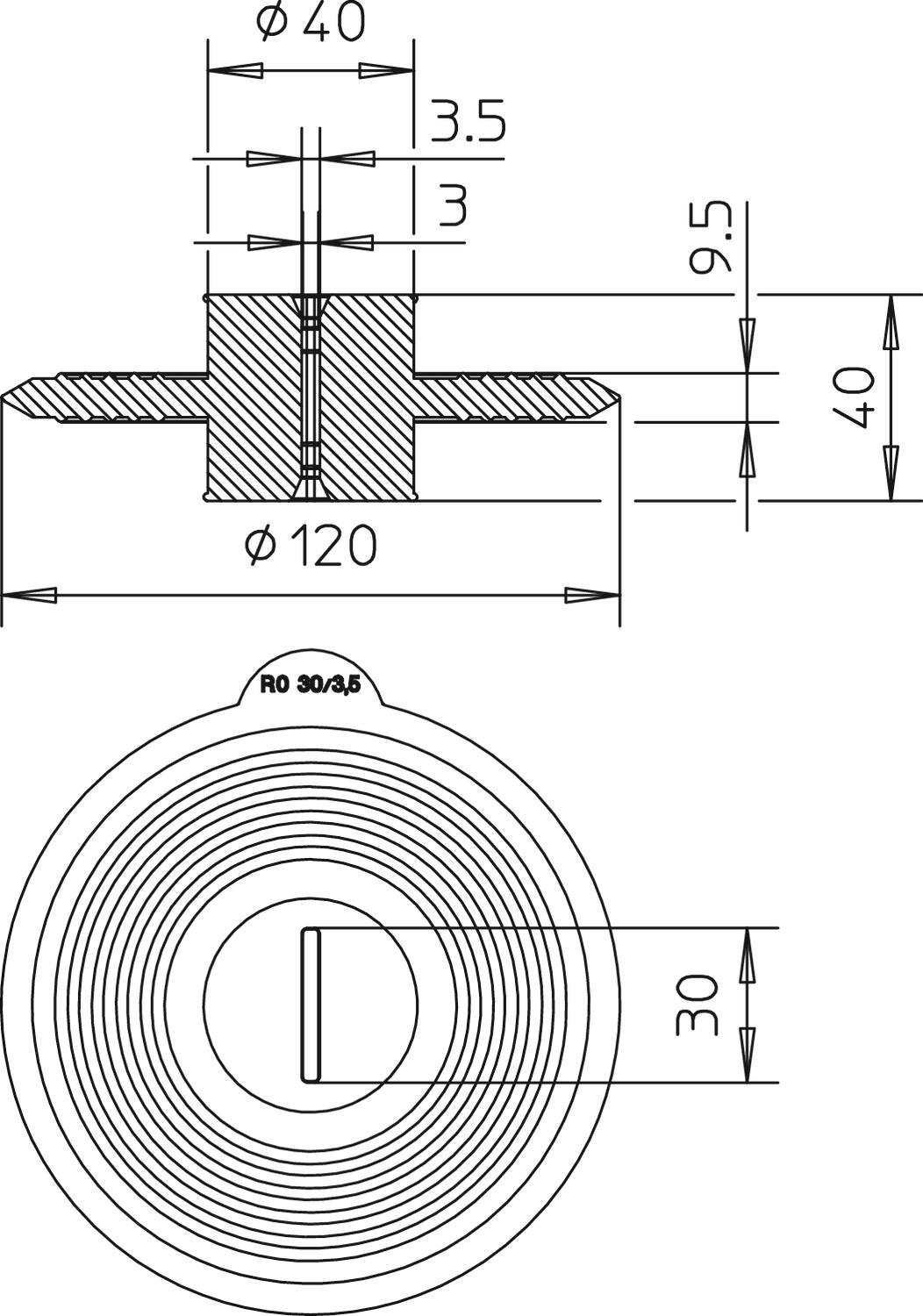
Description du produit• Collerette d'étanchéité pour passages dans les dalles de fondation/murs étanches à l'eau
(p.. ex. cuvelage blanc)
• Pour le montage sur des éclisses de raccordement avec feuillards de serrage en acier inoxydable
• Testé pour une pression d'eau jusqu'à 5 bars
• Selon la norme DIN EN 62561-5 (VDE 0185-561-5)
- Caractéristiques techniques
-
Caractéristiques techniques
Ajustement FL 30x3,5 mm Couleur orangé pastel ; RAL 2003 Dimension 30x3,5 Matériau élastomère thermoplastique - Tous les types
- Téléchargements
-
Fiche technique DW FL30x3,5 / 2360043 , 0.20MB , pdfDéclaration de conformité UE DW FL30x3,5 / 2360043 , 0.04MB , pdfREACH Déclaration de conformité DW FL30x3,5 / 2360043 , 0.12MB , pdfRoHS Déclaration de conformité DW FL30x3,5 / 2360043 , 0.12MB , pdfInstructions de montage Instructions de montage Manchette de tube , 2.00MB , pdf
France - Français