Collier Quick

Réf. 2149040 | EAN 4012195588252

Description du produit
Description du produit
Collier en saillie pour la fixation de tubes blindés métriques, de tubes isolés légers et lourds et de tubes d'installation électrique Quick-Pipe. Possibilités de fixation universelles au mur et au plafond, en intérieur ou dans une zone extérieure protégée. Avec trou oblong pour le placement latéral lors du montage à l'aide de vis à bois ou de chevilles à frapper. Montage des tubes sans outils. Compatible avec un montage en série, y compris en combinaison avec les colliers OBO Multi-Quick ou proQuick. La taille M16-M32 peut être vissée sur le filetage M6. Écart de fixation 50-60 cm, pour les valeurs maximales de résistance à l'arrachement F à une température ambiante de 20 °C, se reporter au tableau.
  • Verband der Elektrotechnik, Elektronik, Informationstechnik e.V., Allemagne
  • sans halogène ; sans chlore, fluor et brome
  • Communautés Européennes, Déclaration de conformité CE selon les directives CE
  • Déclaration de conformité UKCA
  • Filetage, métrique
  • Empreinte CO₂ (PCF)
Caractéristiques techniques

Caractéristiques techniques

Avec garniture non
Charge de rupture 0,23 kN
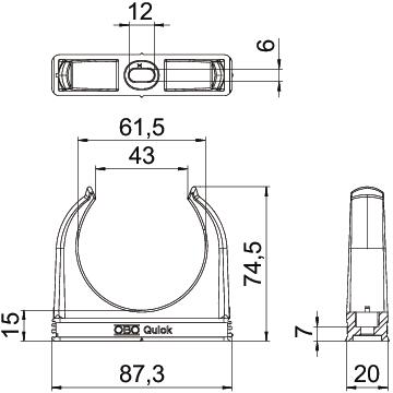
Cote A 87,3 mm
Cote B 20 mm
Cote C 43 mm
Cote D 61,5 mm
Cote F 6 mm
Couleur gris clair; RAL 7035
Diamètre de câbles/tubes min. 63 mm
Diamètre des câbles/tubes max. 63 mm
Dimension M63
Dimension E 12 mm
Dimension H 74,5 mm
Dimension h 15 mm
Dimension nominale/Texte M63
Emboîtable oui
Empreinte CO2 (GWP) du berceau à la porte 0,0894 kg CO2e / 1 Pièce
fermé non
Matériau Polypropylène
Nombre de câbles/tubes 1
Plage de serrage D max. 63 mm
Plage de serrage D min. 63 mm
Résistant aux UV non
Sans halogène oui
Type de fixation Trou de vis
Valeurs d'extraction 175 N
Tous les types

Tous les types

Type Dimension nominale/Texte Réf. Quantité Plus petite unité de vente
2955 M16 M16 2149004
100 Pièce
2955 M20 M20 2149010
100 Pièce
2955 M25 M25 2149016
100 Pièce
2955 M32 M32 2149022
50 Pièce
2955 M40 M40 2149028
50 Pièce
2955 M50 M50 2149034
25 Pièce
2955 M63 M63 2149040
20 Pièce
Téléchargements

Télécharger

Télécharger
Télécharger

Déclaration de conformité UE 2955 M63 / 2149040 , 0.13MB , pdf
Télécharger
Déclaration de conformité du Royaume-Uni 2955 M63 / 2149040 , 0.09MB , pdf

2955 M63 / 2149040
Télécharger