Échelle à câbles LG 110, 6 m VS FS

Réf. 6216454 | EAN 4012195065340

6000 mm
1,5 mm
non
Acier
galvanisé par bande
Description du produit
Description du produit
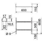
Echelle à câbles avec longeron latéral perforé d'une hauteur d'aile de 110 mm, avec échelons rivetés (profilé en C) ouverts vers le haut.
Atténuation magnétique du blindage sans couvercle 10 dB, avec couvercle 15 dB.

L'échelle à câbles est livrée repliée.

Vous trouverez la bride de fixation rapide adaptée de type 2056 dans la section des systèmes d'échelles verticales.

  • Atténuation magnétique du blindage
  • Communautés Européennes, Déclaration de conformité CE selon les directives CE
  • Déclaration de conformité UKCA
  • Échelles à câbles, hauteur d'aile 110 mm
  • Déclaration environnementale de produits (EPD)
  • Empreinte CO₂ (PCF)
Caractéristiques techniques

Caractéristiques techniques

Acier inoxydable, teint non
Cote B 600 mm
Couleur zinc
Dimension 110x600x6000
Dimensions 110x600x6000
Distance entre support 4,0m 0,65 kN/m
Distance entre support 5,0m 0,5 kN/m
Distance entre supports 2,0m 3,1 kN/m
Distance entre supports 2,5m 2 kN/m
Distance entre supports 3,0m 1,4 kN/m
Distance entre supports 3,5m 0,9 kN/m
Distance entre supports 4,5m 0,55 kN/m
Distance par rapport au support 6,0m 0,15 kN/m
Écart entre échelons 300 mm
Empreinte CO2 (GWP) du berceau à la porte 11,2828 kg CO2e / 1 Mètre
Épaisseur de longeron 1,5 mm
Fente de l’échelon 16,50
Fixation des échelons à rivets aveugles
Hauteur 110 mm
Largeur 600 mm
Longueur 6000 mm
Maintien en fonction non
Matériau Acier
Modèle de longeron latéral profilé plat
Modèle des échelons Profilé perforé
Modèle longue portée non
Perforation latérale oui
Section utile 56800 mm²
Section utile 568 cm²
Surface galvanisé par bande

Caractéristiques techniques

Diagramme de charge de l'échelle à câbles LG 110 VS

Diagramme de charge de l'échelle à câbles LG 110 VS
  • Charge de chemins de câbles/d'échelles à câbles en kN/m sans charge d'homme Charge de chemins de câbles/d'échelles à câbles en kN/m sans charge d'homme
  • Portée en m Portée en m
  • Déflexion de l'aile en mm avec kN/m autorisé Déflexion de l'aile en mm avec kN/m autorisé
  • Schéma de charge pour le procédé de contrôle Schéma de charge pour le procédé de contrôle
  • Courbe de charge avec largeur du chemin de câbles/de l'échelle à câbles en mm Courbe de charge avec largeur du chemin de câbles/de l'échelle à câbles en mm
  • Courbe de déflexion de l'aile en fonction de l'écartement Courbe de déflexion de l'aile en fonction de l'écartement
Tous les types

Tous les types

Type Longueur Largeur Épaisseur de longeron Maintien en fonction Matériau Surface Réf. Quantité Plus petite unité de vente
LG 112 VS 6 FS 6000 mm 200 mm 1,5 mm non Acier galvanisé par bande 6216442
6 m
LG 113 VS 6 FS 6000 mm 300 mm 1,5 mm non Acier galvanisé par bande 6216445
6 m
LG 114 VS 6 FS 6000 mm 400 mm 1,5 mm non Acier galvanisé par bande 6216448
6 m
LG 115 VS 6 FS 6000 mm 500 mm 1,5 mm non Acier galvanisé par bande 6216451
6 m
LG 116 VS 6 FS 6000 mm 600 mm 1,5 mm non Acier galvanisé par bande 6216454
6 m
Accessoires

Accessoires système

Produits Type Réf. Quantité Plus petite unité de vente
Couvercle avec verrou tournant FS Couvercle avec verrou tournant FS DRL 600 FS 6052606
3 m
Raccord droit FS Raccord droit FS LVG 110 FS 6216545
10 Pièce
Éclisse coudée 110 FS Éclisse coudée 110 FS LWVG 110 FS 6216587
10 Pièce
Raccord articulé FS Raccord articulé FS LGVG 110 FS 6216650
10 Pièce
Coude à 90° 110 FS Coude à 90° 110 FS LB 90 1160 R3 FS 6225130
1 Pièce
Pièce en T 110 FS Pièce en T 110 FS LT 1160 R3 FS 6225298
1 Pièce
Embout de protection Embout de protection SKH 110 OR 6222553
20 Paire
Pièce de raccordement FS Pièce de raccordement FS LAS 110 FS 6221416
10 Pièce
Séparateur 85 FS Séparateur 85 FS TSG 85 FS 6062114
3 m
Tôle de fond FS Tôle de fond FS ELB-L 60 FS 6103332
3 m
Téléchargements

Télécharger

Déclaration de conformité UE LG 116 VS 6 FS / 6216454 , 0.13MB , pdf
Télécharger
Déclaration de conformité du Royaume-Uni LG 116 VS 6 FS / 6216454 , 0.09MB , pdf
Déclaration environnementale de produits (EPD) LG 116 VS 6 FS / 6216454 , 1.48MB , pdf
Télécharger

Télécharger

LG 116 VS 6 FS / 6216454
Télécharger