Échelle à câbles LG 110, 6 m VS FT

Réf. 6216477 | EAN 4012195065432

6000 mm
1,5 mm
non
Acier
galvanisé à chaud par trempage
Description du produit
Description du produit
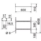
Echelle à câbles avec longeron latéral perforé d'une hauteur d'aile de 110 mm, avec échelons rivetés (profilé en C) ouverts vers le haut.
Atténuation magnétique du blindage sans couvercle 10 dB, avec couvercle 15 dB.

L'échelle à câbles est livrée repliée.

Vous trouverez la bride de fixation rapide adaptée de type 2056 dans la section des systèmes d'échelles verticales.

  • Atténuation magnétique du blindage
  • Communautés Européennes, Déclaration de conformité CE selon les directives CE
  • Déclaration de conformité UKCA
  • Échelles à câbles, hauteur d'aile 110 mm
  • Déclaration environnementale de produits (EPD)
  • Empreinte CO₂ (PCF)
Caractéristiques techniques

Caractéristiques techniques

Acier inoxydable, teint non
Cote B 600 mm
Couleur zinc
Dimension 110x600x6000
Dimensions 110x600x6000
Distance entre support 4,0m 0,65 kN/m
Distance entre support 5,0m 0,5 kN/m
Distance entre supports 2,0m 3,1 kN/m
Distance entre supports 2,5m 2 kN/m
Distance entre supports 3,0m 1,4 kN/m
Distance entre supports 3,5m 0,9 kN/m
Distance entre supports 4,5m 0,55 kN/m
Distance par rapport au support 6,0m 0,15 kN/m
Écart entre échelons 300 mm
Empreinte CO2 (GWP) du berceau à la porte 10,9889 kg CO2e / 1 Mètre
Épaisseur de longeron 1,5 mm
Fente de l’échelon 16,50
Fixation des échelons à rivets aveugles
Hauteur 110 mm
Largeur 600 mm
Longueur 6000 mm
Maintien en fonction non
Matériau Acier
Modèle de longeron latéral profilé plat
Modèle des échelons Profilé perforé
Modèle longue portée non
Perforation latérale oui
Section utile 56800 mm²
Section utile 568 cm²
Surface galvanisé à chaud par trempage

Caractéristiques techniques

Diagramme de charge de l'échelle à câbles LG 110 VS

Diagramme de charge de l'échelle à câbles LG 110 VS
  • Charge de chemins de câbles/d'échelles à câbles en kN/m sans charge d'homme Charge de chemins de câbles/d'échelles à câbles en kN/m sans charge d'homme
  • Portée en m Portée en m
  • Déflexion de l'aile en mm avec kN/m autorisé Déflexion de l'aile en mm avec kN/m autorisé
  • Schéma de charge pour le procédé de contrôle Schéma de charge pour le procédé de contrôle
  • Courbe de charge avec largeur du chemin de câbles/de l'échelle à câbles en mm Courbe de charge avec largeur du chemin de câbles/de l'échelle à câbles en mm
  • Courbe de déflexion de l'aile en fonction de l'écartement Courbe de déflexion de l'aile en fonction de l'écartement
Tous les types

Tous les types

Type Longueur Largeur Épaisseur de longeron Maintien en fonction Matériau Surface Réf. Quantité Plus petite unité de vente
LG 112 VS 6 FT 6000 mm 200 mm 1,5 mm non Acier galvanisé à chaud par trempage 6216465
6 m
LG 113 VS 6 FT 6000 mm 300 mm 1,5 mm non Acier galvanisé à chaud par trempage 6216468
6 m
LG 114 VS 6 FT 6000 mm 400 mm 1,5 mm non Acier galvanisé à chaud par trempage 6216471
6 m
LG 115 VS 6 FT 6000 mm 500 mm 1,5 mm non Acier galvanisé à chaud par trempage 6216474
6 m
LG 116 VS 6 FT 6000 mm 600 mm 1,5 mm non Acier galvanisé à chaud par trempage 6216477
6 m
Accessoires

Accessoires système

Produits Type Réf. Quantité Plus petite unité de vente
Couvercle avec verrou tournant FT Couvercle avec verrou tournant FT DRL 600 FT 6051472
3 m
Raccord droit FT Raccord droit FT LVG 110 FT 6216548
10 Pièce
Raccord articulé FT Raccord articulé FT LGVG 110 FT 6216653
10 Pièce
Raccord de dilatation 110 FT Raccord de dilatation 110 FT LDVG 110 FT 6216670
2 Pièce
Éclisse multifonction FT Éclisse multifonction FT LMFV 1160 FT 6225780
1 Pièce
Coude à 90°  110 FT Coude à 90° 110 FT LB 90 1160 R3 FT 6225152
1 Pièce
Pièce en T 110 FT Pièce en T 110 FT LT 1160 R3 FT 6225320
1 Pièce
Embout de protection Embout de protection SKH 110 OR 6222553
20 Paire
Pièce de raccordement FT Pièce de raccordement FT LAS 110 FT 6221424
10 Pièce
Séparateur 85 DD Séparateur 85 DD TSG 85 DD 6062331
3 m
Tôle d'angle DD Tôle d'angle DD LEB 50 DD 6221259
1 Pièce
Tôle de passage Tôle de passage LALB 60 FT 6221890
1 Pièce
Tôle de départ FT Tôle de départ FT LAB 60 FT 6220479
1 Pièce
Tôle de fond DD Tôle de fond DD ELB-L 60 DD 6103368
3 m
Téléchargements

Télécharger

Déclaration de conformité UE LG 116 VS 6 FT / 6216477 , 0.13MB , pdf
Télécharger
Déclaration de conformité du Royaume-Uni LG 116 VS 6 FT / 6216477 , 0.09MB , pdf
Déclaration environnementale de produits (EPD) LG 116 VS 6 FT / 6216477 , 1.48MB , pdf
Télécharger

Télécharger

LG 116 VS 6 FT / 6216477
Télécharger