Échelle à câbles LG 60, 6 m VS A2

Réf. 6208712 | EAN 4012195064473

6000 mm
1,5 mm
non
acier inoxydable 1.4301
nu, traité
Description du produit
Description du produit
Echelle à câbles avec longeron latéral perforé d'une hauteur d'aile de 60 mm, avec échelons NS rivetés (profilé en C) ouverts vers le haut.
Atténuation magnétique du blindage sans couvercle 10 dB, avec couvercle 15 dB.

L'échelle à câbles est livrée repliée.

Vous trouverez la bride de fixation rapide adaptée de type 2056 dans la section des systèmes d'échelles verticales.

  • Atténuation magnétique du blindage
  • Communautés Européennes, Déclaration de conformité CE selon les directives CE
  • Déclaration de conformité UKCA
  • Échelles à câbles, hauteur d'aile 60 mm
  • Déclaration environnementale de produits (EPD)
  • Empreinte CO₂ (PCF)
Caractéristiques techniques

Caractéristiques techniques

Acier inoxydable, teint non
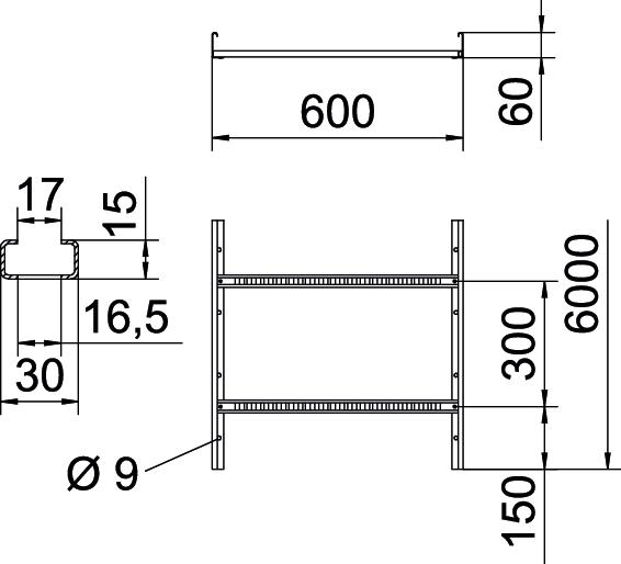
Cote B 600 mm
Couleur acier inoxydable
Dimension 60x600x6000
Dimensions 60x600x6000
Distance entre support 4,0m 0,45 kN/m
Distance entre support 5,0m 0,15 kN/m
Distance entre supports 2,0m 2,25 kN/m
Distance entre supports 1,5m 3,1 kN/m
Distance entre supports 2,5m 1,5 kN/m
Distance entre supports 3,0m 1,1 kN/m
Distance entre supports 3,5m 0,75 kN/m
Distance entre supports 4,5m 0,3 kN/m
Écart entre échelons 300 mm
Empreinte CO2 (GWP) du berceau à la porte 18,443 kg CO2e / 1 Mètre
Épaisseur de longeron 1,5 mm
Fente de l’échelon 16,50
Fixation des échelons à rivets aveugles
Hauteur 60 mm
Largeur 600 mm
Longueur 6000 mm
Maintien en fonction non
Matériau acier inoxydable 1.4301
Modèle de longeron latéral profilé plat
Modèle des échelons Profilé perforé
Modèle longue portée non
Perforation latérale oui
Section utile 29800 mm²
Section utile 298 cm²
Surface nu, traité

Caractéristiques techniques

Diagramme de charge échelle à câbles type LG 60 VS

Diagramme de charge échelle à câbles type LG 60 VS
  • Charge de chemins de câbles/d'échelles à câbles en kN/m sans charge d'homme Charge de chemins de câbles/d'échelles à câbles en kN/m sans charge d'homme
  • Portée en m Portée en m
  • Déflexion de l'aile en mm avec kN/m autorisé Déflexion de l'aile en mm avec kN/m autorisé
  • Schéma de charge pour le procédé de contrôle Schéma de charge pour le procédé de contrôle
  • Courbe de charge avec largeur du chemin de câbles/de l'échelle à câbles en mm Courbe de charge avec largeur du chemin de câbles/de l'échelle à câbles en mm
  • Courbe de déflexion de l'aile en fonction de l'écartement Courbe de déflexion de l'aile en fonction de l'écartement
Tous les types

Tous les types

Type Longueur Largeur Épaisseur de longeron Maintien en fonction Matériau Surface Réf. Quantité Plus petite unité de vente
LG 620 VS6 A2 6000 mm 200 mm 1,5 mm non acier inoxydable 1.4301 nu, traité 6208700
6 m
LG 630 VS6 A2 6000 mm 300 mm 1,5 mm non acier inoxydable 1.4301 nu, traité 6208703
6 m
LG 640 VS6 A2 6000 mm 400 mm 1,5 mm non acier inoxydable 1.4301 nu, traité 6208706
6 m
LG 650 VS6 A2 6000 mm 500 mm 1,5 mm non acier inoxydable 1.4301 nu, traité 6208709
6 m
LG 660 VS6 A2 6000 mm 600 mm 1,5 mm non acier inoxydable 1.4301 nu, traité 6208712
6 m
Accessoires

Accessoires système

Produits Type Réf. Quantité Plus petite unité de vente
Couvercle avec verrou tournant A2 Couvercle avec verrou tournant A2 DRL 600 A2 6052975
3 m

Accessoires de montage

Produits Type Réf. Quantité Plus petite unité de vente
Séparateur 45 A2 Séparateur 45 A2 TSG 45 A2 6062025
3 m
Pièce de serrage pour fixation du séparateur A2 Pièce de serrage pour fixation du séparateur A2 KS KL A2 6062284
30 Pièce
Raccord droit A2 Raccord droit A2 LVG 60 A2 6208846
10 Pièce
Embout de protection 60 Embout de protection 60 SKH 60 OR 6222537
40 Paire
Téléchargements

Télécharger

Déclaration de conformité UE LG 660 VS6 A2 / 6208712 , 0.13MB , pdf
Télécharger
Déclaration de conformité du Royaume-Uni LG 660 VS6 A2 / 6208712 , 0.09MB , pdf
Déclaration environnementale de produits (EPD) LG 660 VS6 A2 / 6208712 , 1.48MB , pdf
Télécharger

Télécharger

LG 660 VS6 A2 / 6208712
Télécharger