Module de protection contre les surtensions ÜSM-10-230l1P+PE

Réf. 5092422 | EAN 4012196426720

5092422 / ÜSM-10-230I1P+PE
1+N/PE
255 V
IP20
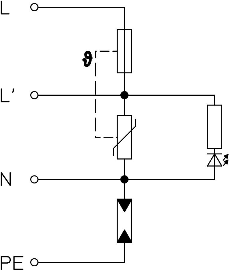
Description du produit
Description du produit
Module de protection contre les surtensions type 2+3 selon DIN EN 61643-11 pour réseaux 230/400 V.

Pour la protection d'appareils électroniques tels que des pilotes LED.



• avec affichage des fonctions et arrêt du circuit de courant de charge en cas de défaillance du SPD
• de petite taille pour une installation dans le boîtier de raccordement du mât ou devant le pilote
• Utilisation dans la tête d'éclairage LED devant le pilote LED électronique
• Circuit de protection avec capacité d'écoulement maximale de 10 kA
• Réduction de la surtension en dessous de 1300 V (niveau de protection)
• pour éclairage LED avec raccord PE

Application : dans la boîte de jonction de câbles, boîtes de dérivation, chemins de câbles jusqu’aux systèmes sous plancher
Pour la protection d'appareils électroniques contre les surtensions, notamment les luminaires à LED
  • Garantie 5 ans
  • Communautés Européennes, Déclaration de conformité CE selon les directives CE
  • EurAsian Conformity
  • Passage de ZPF 1 jusqu'à 3
  • Protection selon NF EN 61643-11 (IEC 61643-11)
  • Expertise électrotechnique de l'installation
  • Empreinte CO₂ (PCF)
  • Emballage sans plastique
Caractéristiques techniques

Caractéristiques techniques

Calibre de fusible maximum 16 A
Classe d'essais type 2 oui
classe d'essais type 3 oui
Courant de décharge maximal (8/20 μs) 10 kA
Courant de décharge maximal (8/20 μs) [L-N] 10 kA
Courant de décharge maximal (8/20 μs) [N-PE] 10 kA
Courant de décharge maximal (8/20 µs) [total] 10 kA
Courant de décharge nominal (8/20) 5 kA
Courant de décharge nominal (8/20 μs) [N-PE] 5 kA
Courant décharge nominal (8/20 μs) [L-N] 5 kA
Dimension 230V
Empreinte CO2 (GWP) du berceau à la porte 0,0436 kg CO2e / 1 Pièce
Hauteur 21 mm
Indice de protection IP20
Largeur 40 mm
Longueur 155 mm
Longueur du câble de raccordement 0,09 m
Modèle 1+N/PE
Modèle 1 pôle + NPE pour SK I
Niveau de protection commun [L-PE] 1300 kV
Niveau de protection fil/fil 1300 V
Niveau de protection fil/terre 1300 V
Niveau de protection [L-N] ≤1300
OBO_Nennlaststrom (Ein- / Ausgangsklemme) 16 A
Plage de températures d’utilisation max. 80 °C
Plage de températures d’utilisation min. -40 °C
Protection max contre les surintensités côté réseau 16
Signalisation sur l'appareil optique
SPD selon CEI 61643-1 classe II+III
Température de service max. 80 °C
Température de service min. -40 °C
Temps de réponse <25 ns
Tension continue max. (N-PE) 255 V
Tension continue max. (L-N) 255 V
Tension max. permanente CA 255 V
Tension nominale CA (50 / 60 Hz) 230 V
Type de montage autres
Type selon EN 61643-11 Type 2+3
ZPF 1→2
Tous les types

Tous les types

Type Modèle Tension max. permanente CA Indice de protection Réf. Quantité Plus petite unité de vente
ÜSM-10-230I1P+PE 1+N/PE 255 V IP20 5092422
1 Pièce
Téléchargements

Télécharger

Déclaration de conformité UE ÜSM-10-230I1P+PE / 5092422 , 0.13MB , pdf
Télécharger

ÜSM-10-230I1P+PE / 5092422
Télécharger