Parasurtenseur V10 Compact avec alarme sonore 255 V

Réf. 5093391 | EAN 4012195299448

5093391 / V10 COMPACT-AS
3+N/PE
255 V
IP20
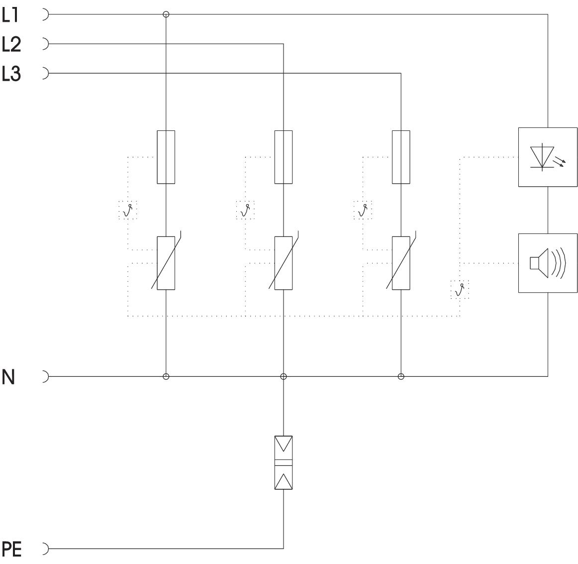
Description du produit
Description du produit
Parasurtenseur type 2+3 compact

• Pour la liaison équipotentielle de parasurtenseur VDE 0100-443 (CEI 60364-4-44)
• Capacité d'écoulement jusqu'à 60 kA (8/20) au total
• Solution 3+1 intégrée sur une largeur de modules de 45 mm pour réseaux TN et TT
• Varistance haute performance

• Avec dispositif de coupure thermique et dynamique et affichage des fonctions

Application : sous-circuits et distribution par étage ainsi que protection d'appareils triphasés.
  • Garantie 5 ans
  • Communautés Européennes, Déclaration de conformité CE selon les directives CE
  • EurAsian Conformity
  • Passage de ZPF 1 jusqu'à 3
  • Protection selon NF EN 61643-11 (IEC 61643-11)
  • Signalisation acoustique
  • Empreinte CO₂ (PCF)
  • Emballage sans plastique
Caractéristiques techniques

Caractéristiques techniques

Calibre de fusible maximum 63 A
Capacité de coupure de courant de suite (eff) [N-PE] 0,1 kA
Classe d'essais type 2 oui
classe d'essais type 3 oui
Convient pour application extérieur non
Coupe-feu non
Courant de décharge maximal (8/20 μs) 20 kA
Courant de décharge maximal (8/20 µs) [total] 60 kA
Courant de décharge nominal (8/20) 10 kA
Dimension 255V
Empreinte CO2 (GWP) du berceau à la porte 1,0235 kg CO2e / 1 Pièce
fusible de puissance intégré non
Indice de protection IP20
Modèle 3+N/PE
Plage de températures d’utilisation max. 80 °C
Plage de températures d’utilisation min. -40 °C
Protection max contre les surintensités côté réseau 63
Report d'alarme non
Section de conducteur rigide (unifilaire/multifilaire) max. 10 mm²
Section de conducteur rigide (unifilaire/multifilaire) min. 2,5 mm²
Signalisation sur l'appareil optique et sonore
SPD selon CEI 61643-1 classe II+III
Température de service max. 80 °C
Température de service min. -40 °C
Temps de réponse <25 ns
Tension max. permanente CA 255 V
Tension nominale CA (50 / 60 Hz) 230 V
Type de montage Rail DIN 35 mm
Type de réseau TN oui
Type de réseau TN-C-S oui
Type de réseau TN-S oui
Type de réseau TT oui
Type du réseau autres
Type selon EN 61643-11 Type 2+3
ZPF 1→3
Tous les types

Tous les types

Type Modèle Tension max. permanente CA Indice de protection Réf. Quantité Plus petite unité de vente
V10 COMPACT-AS 3+N/PE 255 V IP20 5093391
1 Pièce
Téléchargements

Télécharger

Déclaration de conformité UE V10 COMPACT-AS / 5093391 , 0.13MB , pdf
Télécharger

Aucun texte d'appel d'offres n'est disponible pour ce produit