Parasurtenseur V20, 2 pôles+NPE avec report d'alarme 150 V

Réf. 5095322 | EAN 4012196162963

150 V
IP20
Description du produit
Description du produit
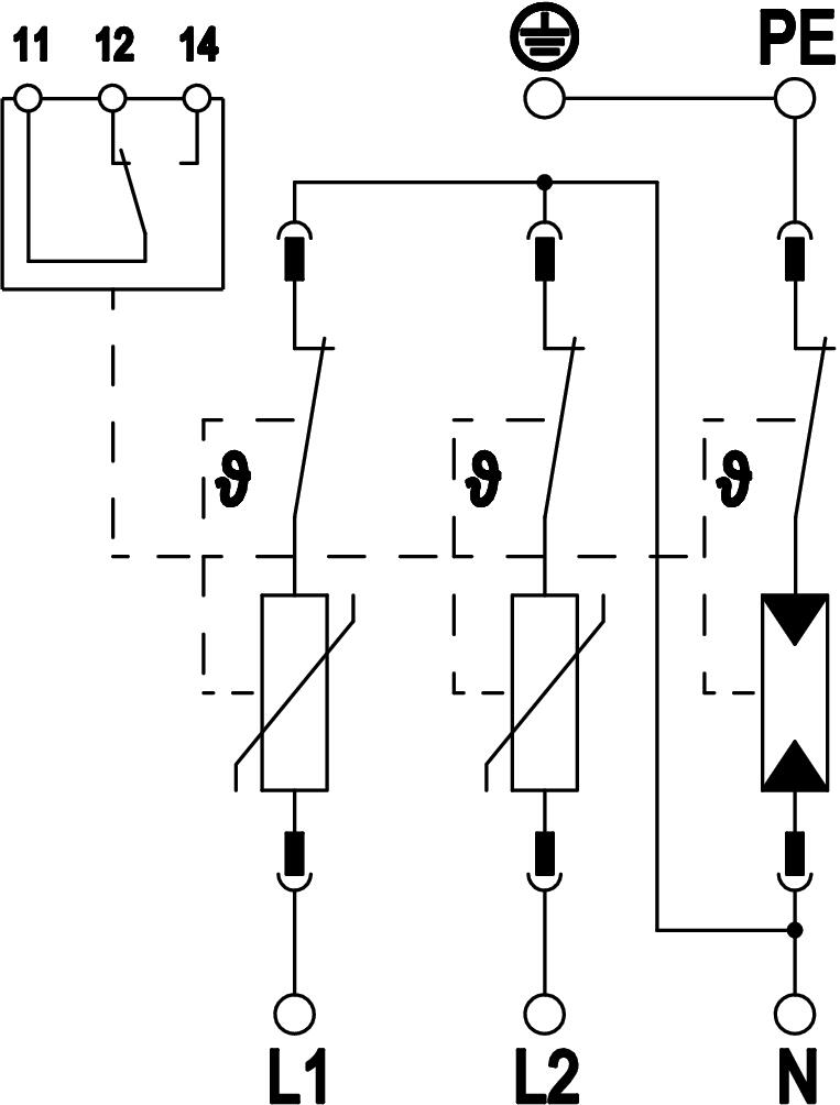
Parafoudre type 2 • Pour la liaison équipotentielle de protection contre les surtensions selon NF C 15 100 (IEC 60364-4-44) • Capacité d'écoulement jusqu'à 40 kA (8/20) par pôle grâce à des varistances haute performance • Parafoudre modulaire débrochable avec dispositif de coupure dynamique et voyant d'état • Mécanisme de verrouillage avec protection contre les vibrations et codage de tension • Plastique retardateur de la flamme selon UL 94 V-0 • Les variantes FS possèdent un contact inverseur libre de potentiel pour le report d'alarme Application : liaison équipotentielle dans les tableaux généraux et divisionnaires.
  • Underwriters Laboratories Inc., USA + CSA, Canada
  • Österreichischer Verband für Elektrotechnik, Autriche
  • Verband der Elektrotechnik, Elektronik, Informationstechnik e.V., Allemagne
  • KEMA-KEUR, Pays-Bas
  • Garantie 5 ans
  • Communautés Européennes, Déclaration de conformité CE selon les directives CE
  • EurAsian Conformity
  • Protection selon NF EN 61643-11 (IEC 61643-11)
  • Passage de ZPF 1 à 2
  • Expertise électrotechnique de l'installation
  • Report d'alarme
  • Empreinte CO₂ (PCF)
  • Emballage sans plastique
  • Emballage intégralement composé de carton recyclé
Caractéristiques techniques

Caractéristiques techniques

Calibre de fusible maximum 160 A
Capacité de coupure de courant de suite (eff) [N-PE] 0,1 kA
Classe d'essais type 2 oui
Coupe-feu non
Couple de serrage 4 Nm
Courant de décharge maximal (8/20 μs) 40 kA
Courant de décharge maximal (8/20 μs) [L-N] 40 kA
Courant de décharge maximal (8/20 μs) [N-PE] 60 kA
Courant de décharge maximal (8/20 µs) [total] 60 kA
Courant de décharge nominal (8/20) 20 kA
Courant de décharge nominal (8/20 μs) [N-PE] 40 kA
Courant décharge nominal (8/20 μs) [L-N] 20 kA
Dimension 150V
Écartement minimal 1,5 mm
Empreinte CO2 (GWP) du berceau à la porte 1,5611 kg CO2e / 1 Pièce
fusible de puissance intégré non
Homologations NF, KEMA, UL, ÖVE
Humidité de l’air max. 95 %
Humidité de l’air min. 5 %
Indice de protection IP20
Matériau du boîtier PA UL 94 V-0
Modèle 2+N/PE
Niveau de protection commun [L-PE] 1,2 kV
Niveau de protection [L-N] ≤0,8
Nombre de pôles 3
Plage de températures d’utilisation max. 80 °C
Plage de températures d’utilisation min. -40 °C
Protection max contre les surintensités côté réseau 160 A gL/gG
Puissance de commutation CA 230 V; 0,5 A
Puissance de commutation CC 230 V; 0,1 A / 75 V; 0,5 A
Report d'alarme Contact inverseur
Report d'alarme oui
Résistance aux courts-circuits oui
Résistance aux courts-circuits avec la protection maximale contre les surtensions côté réseau 50 kA eff
Section de conducteur flexible (à fils de faible diamètre) max. 2 AWG
Section de conducteur flexible (à fils de faible diamètre) max. 35 mm²
Section de conducteur flexible (à fils de faible diamètre) min. 1,5 mm²
Section de conducteur flexible (à fils de faible diamètre) min. 16 AWG
Section de conducteur rigide (unifilaire/multifilaire) max. 2 AWG
Section de conducteur rigide (unifilaire/multifilaire) max. 35 mm²
Section de conducteur rigide (unifilaire/multifilaire) min. 16 AWG
Section de conducteur rigide (unifilaire/multifilaire) min. 1,5 mm²
Section de raccordement des bornes FM max. 16 AWG
Section de raccordement des bornes FM max. 1,5 mm²
Section de raccordement des bornes FM min. 21 AWG
Section de raccordement des bornes FM min. 0,5 mm²
Signalisation sur l'appareil optique
SPD selon CEI 61643-1 classe II
Température de service max. 80 °C
Température de service min. -40 °C
Temps de réponse <25 ns
Tension continue max. (N-PE) 255 V
Tension continue max. (L-N) 150 V
Tension max. permanente CA 150 V
Tension nominale CA (50 / 60 Hz) 120 V
Tension résiduelle [L-N] @ 1 kA 0,5 kV
Tension résiduelle [L-N] @ 5 kA 0,6 kV
Tension TOV [L-N] - fail safe mode - 120 min 230 V
Tension TOV [L-N] - withstand mode - 5 s 175 V
Tension TOV [N-PE] - withstand mode - 200 ms 1200 V
Type de montage Rail DIN 35 mm
Type de réseau TN oui
Type de réseau TN-C-S oui
Type de réseau TN-S oui
Type de réseau TT oui
Type du réseau autres
Type selon EN 61643-11 Type 2
Type selon UL1449 Type 4
Tous les types

Tous les types

Type Modèle Tension max. permanente CA Indice de protection Réf. Quantité Plus petite unité de vente
V20-3+NPE+FS-150 3+N/PE 150 V IP20 5095321
1 Pièce
V20-2+NPE+FS-150 2+N/PE 150 V IP20 5095322
1 Pièce
Téléchargements

Télécharger

Télécharger

Déclaration de conformité UE V20-2+NPE+FS-150 / 5095322 , 0.13MB , pdf
Télécharger

V20-2+NPE+FS-150 / 5095322
Télécharger