Plaque de raccordement avec forme en T A2

Réf. 1124695 | EAN 4012195804956

1124695 / GMS 4 VP T A2
200 mm
40 mm
Description du produit
Description du produit
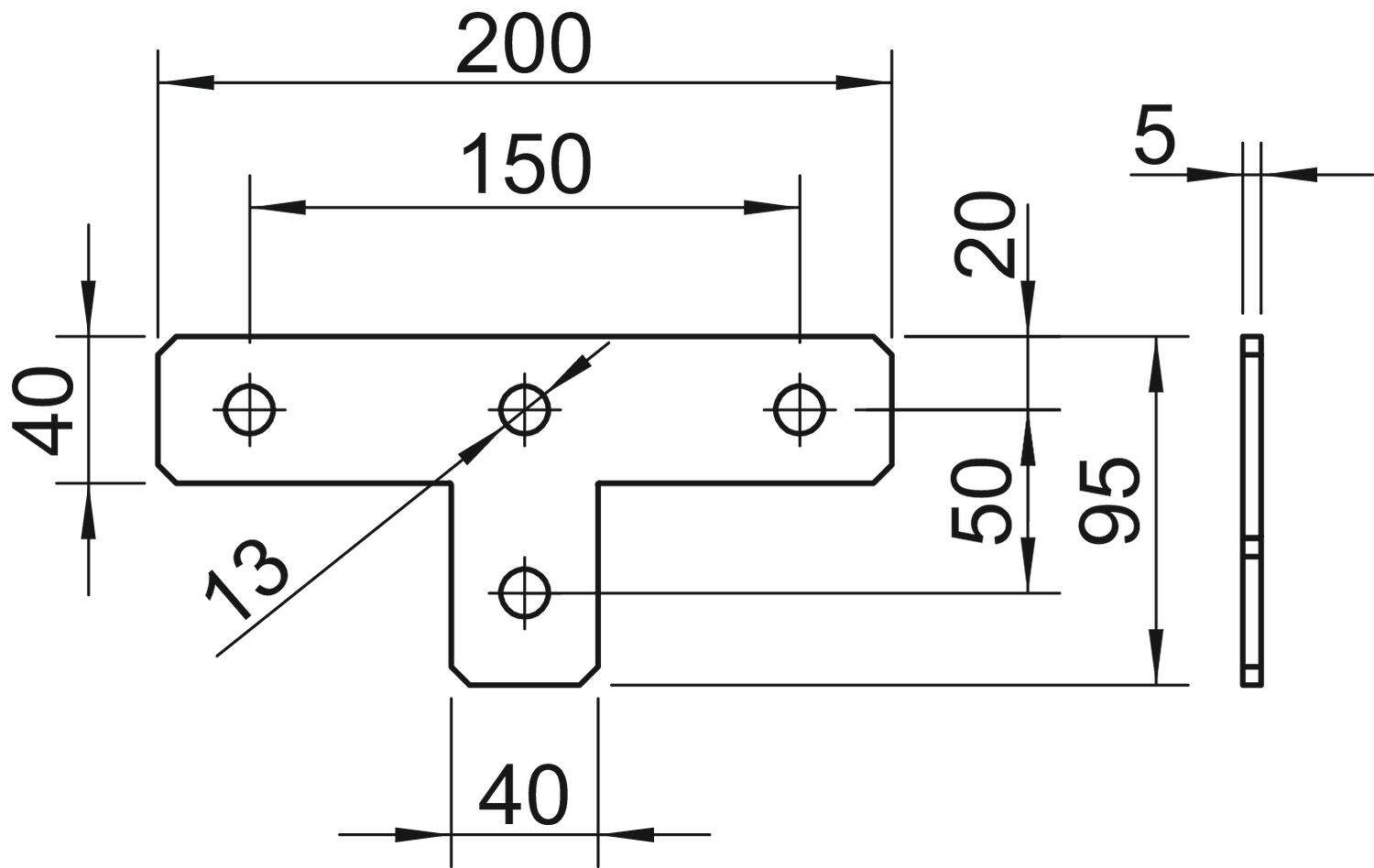
Équerres 4 trous pour un raccordement en té de rails profilés 41 x 41 mm et 41 x 21 mm.

  • Communautés Européennes, Déclaration de conformité CE selon les directives CE
  • Empreinte CO₂ (PCF)
Caractéristiques techniques

Caractéristiques techniques

Acier inoxydable, teint non
Avec accessoires pour vis non
Convient pour formes de profilé Profilé en C
Dimension 200x95x40x4
Dimension du trou 13 mm
Empreinte CO2 (GWP) du berceau à la porte 2,2275 kg CO2e / 1 Pièce
Épaisseur du matériau 4 mm
Hauteur 4 mm
Largeur 40 mm
Longueur 200 mm
Matériau acier inoxydable 1.4301
Modèle avec perçage traversant 13 mm
Surface nu, traité
Tous les types

Tous les types

Type Longueur Largeur Réf. Quantité Plus petite unité de vente
GMS 4 VP T A2 200 mm 40 mm 1124695
10 Pièce
Téléchargements

Télécharger

Télécharger

GMS 4 VP T A2 / 1124695
Télécharger