Profil de colonne industrielle, type ISS160160IP4

Réf. 6290404 | EAN 4012196191468

6290404 / ISS160160IP4 EL
4000 mm
Description du produit
Description du produit
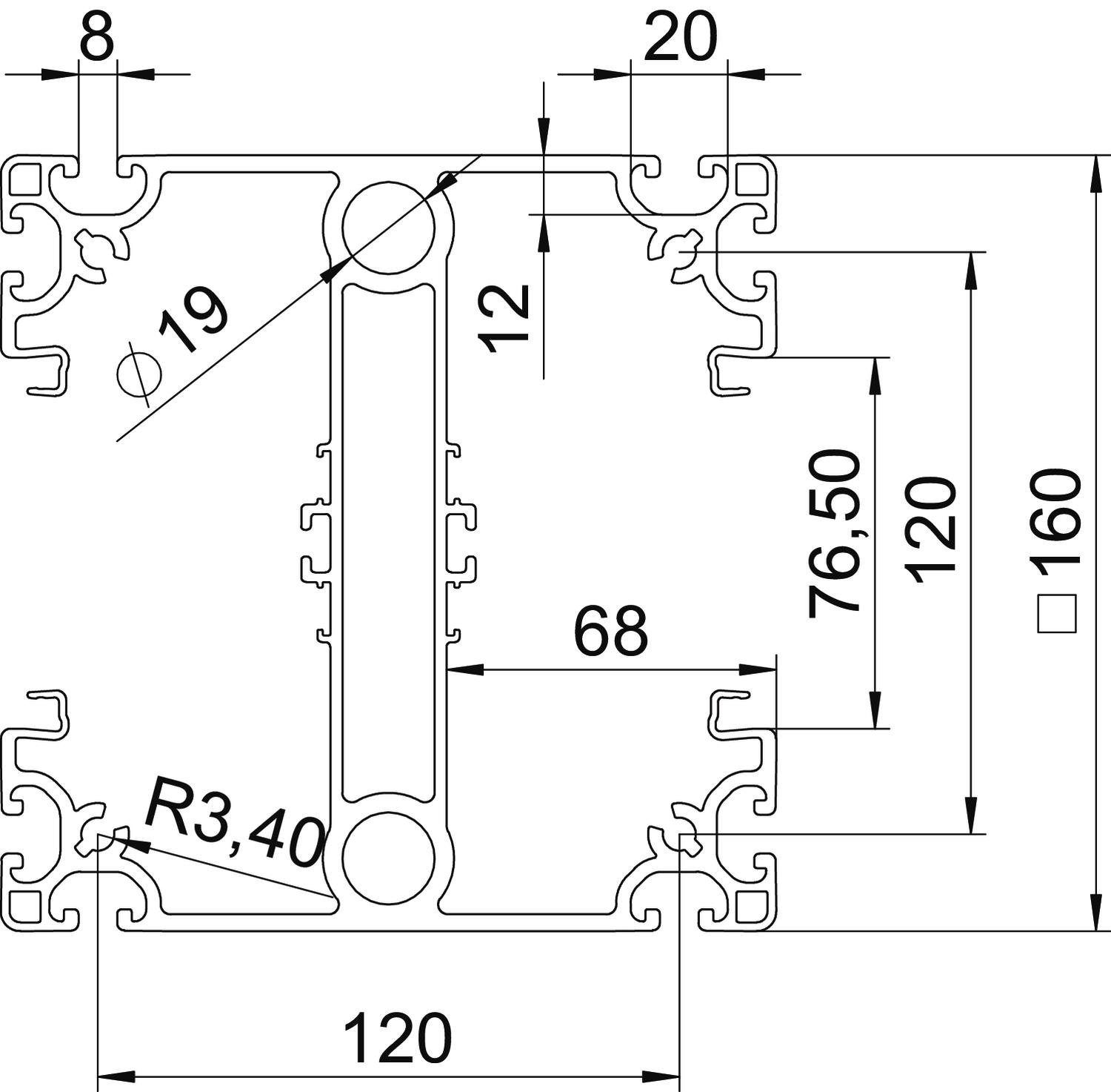
Colonnes de distribution ISS pour équipement de postes de travail de montage dans des ateliers de production. Le profilé en aluminium anodisé, version lourde, présente une ouverture de système de 76,5 mm de chaque côté et pour logement de boîtiers d'appareillage à encliquetage par l'avant de la série 71GD ou supports de montage de la série 71MT. Les 4 côtés du profilé présentent une rainure de montage de dimensions nominales standards de 8 pour le montage de divers éléments nécessaires à des fonctions additionnelles (système modulaire item). Sont inclus dans les fournitures le profil de colonne ainsi que les couvercles nécessaires aux ouvertures de système dans des longueurs de 2000 mm et un sachet PE contenant 20 pinces de fixation de type RKV3V pour permettre des longueurs partielles des couvercles. Deux goulottes fermées à l'intérieur du profilé peuvent être utilisées pour la conduction de l'air comprimé.


  • Verband der Elektrotechnik, Elektronik, Informationstechnik e.V., Allemagne
  • Communautés Européennes, Déclaration de conformité CE selon les directives CE
  • Déclaration de conformité UKCA
  • Empreinte CO₂ (PCF)
Caractéristiques techniques

Caractéristiques techniques

Couleur aluminium
Dimension 4000x160x160
Empreinte CO2 (GWP) du berceau à la porte 548,3063 kg CO2e / 1 Pièce
Entrée de câble haut/bas
Forme de la colonne carré
Hauteur 160 mm
Hauteur min. de la colonne 4000 mm
Indice de protection IP30
Indice de protection code IK IK10
Largeur 160 mm
Largeur de la partie supérieure 76,5 mm
Longueur 4000 mm
Matériau Aluminium
Modèle double face
Montage au plafond oui
Montage au sol oui
Nombre de parties supérieures utilisables 2
Nombre de voies 2 St.
Plage de températures d’utilisation max. 60 °C
Plage de températures d’utilisation min. -25 °C
Précâblé non
Profilé continu oui
Réglable non
Sans halogène oui
Surface anodisé
Type de fixation Bride de montage
Variable en fonction du lieu non
Tous les types

Tous les types

Type Longueur Réf. Quantité Plus petite unité de vente
ISS160160IP4 EL 4000 mm 6290404
1 Pièce
Accessoires

Accessoires système

Produits Type Réf. Quantité Plus petite unité de vente
Boîtier d'appareillage, 71GD6, simple Boîtier d'appareillage, 71GD6, simple 71GD6 6288610
5 Pièce
Boîtier d'appareillage, 71GD7-2, double Boîtier d'appareillage, 71GD7-2, double 71GD7-2 6288608
2 Pièce
Couvercle de goulotte aluminium Couvercle de goulotte aluminium GA-OTEL 6279723
2 m
Pince de fixation RKV3V Pince de fixation RKV3V RKV3V 6288700
20 Pièce
Montage au plafond pour colonne industrielle Montage au plafond pour colonne industrielle ISS160160DB WA 6290436
1 Pièce
Plaque de sol pour colonne industrielle Plaque de sol pour colonne industrielle ISS160160BP WA 6290416
1 Pièce
Protection anticollision pour colonne industrielle Protection anticollision pour colonne industrielle ISS160160AS WA 6290422
1 Pièce
Protection anticollision pour colonne industrielle Protection anticollision pour colonne industrielle ISS160160AS HRO 6290423
1 Pièce
Clavette rainurées pour colonnes industrielles Clavette rainurées pour colonnes industrielles NS8 ST 6290499
10 Pièce
Branchement d'air comprimé pour colonne industrielle Branchement d'air comprimé pour colonne industrielle ISS160160DLA 6290495
1 Pièce
Raccord de mise à la terre Raccord de mise à la terre 8AWR 6288704
10 Pièce

Accessoires de montage

Produits Type Réf. Quantité Plus petite unité de vente
Séparateur GA-TW70 Séparateur GA-TW70 GK-TW70 6274900
40 m
Plaque d'adaptation pour système de support de câbles Plaque d'adaptation pour système de support de câbles ISS160160APKTSWA 6290456
1 Pièce
Téléchargements

Télécharger

Déclaration de conformité UE ISS160160IP4 EL / 6290404 , 0.13MB , pdf
Télécharger
Déclaration de conformité du Royaume-Uni ISS160160IP4 EL / 6290404 , 0.09MB , pdf

ISS160160IP4 EL / 6290404
Télécharger