Protection des données informatiques enfichable, 2x2 pôles, mise à la terre indirecte 12 V

Réf. 5080367 | EAN 4012196742295

4
2x2 pôles
Borne
Description du produit
Description du produit
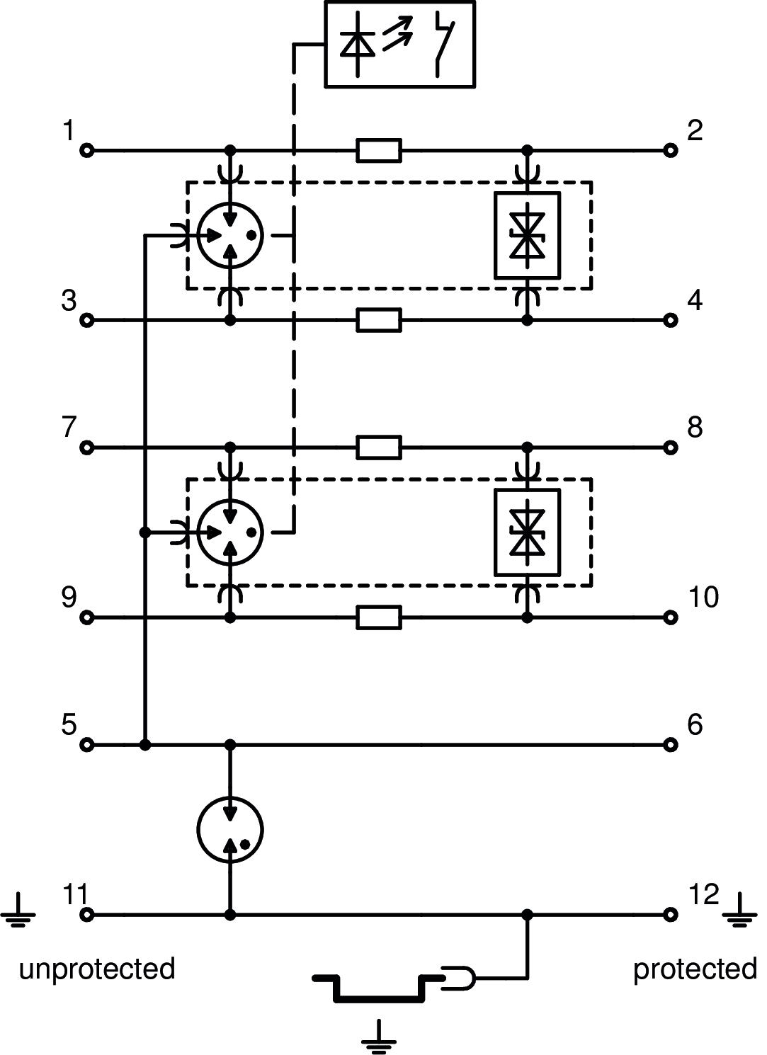
Protection des données informatiques enfichable type 1+2/D1+C2 pour applications de la technologie de mesure, de commande et de régulation

• Appareil de protection pour systèmes multifilaire
• Blindage indirect
• Plage de fréquence jusqu'à 100 MHz
• Mise à la terre possible par le profilé chapeau ou avec câble de raccordement
• Emboîtement réduit de 12,5 mm
• Haute résistance au débit - aucun coupure de signal sans module de protection
• Avec signalisation optique et possibilité de signalisation à distance via l'alimentation PDP-PS
Application: Parasurtenseur et parafoudre universel pour appareils de données informatique dans la technologie MCR
  • Garantie 5 ans
  • Communautés Européennes, Déclaration de conformité CE selon les directives CE
  • Installations de mesure, commande et régulation
  • Passage de ZPF 0 jusqu'à 2
  • Expertise électrotechnique de l'installation
  • Empreinte CO₂ (PCF)
Caractéristiques techniques

Caractéristiques techniques

Affaiblissement d’insertion (insertion loss) ≤3 dB
Capacité (ligne/ligne) ≤30 pF
Capacité (ligne/terre) ≤30 pF
Connectique Borne
Courant de charge nominal CA 0,425 A
Courant de charge nominal CC 0,6 A
Courant de choc de décharge 2,5 kA
Courant de choc de décharge total (10/350) 2,5 kA
Courant de décharge nominal (8/20) 10 kA
Courant de décharge nominal In selon C2 (total) 20 kA
Courant de décharge total (8/20) 20 kA
Dimension 12V
Empreinte CO2 (GWP) du berceau à la porte 0,7889 kg CO2e / 1 Pièce
Fréquence limite 100 MHz
Hauteur 95 mm
Indice de protection IP20
Kategorie Type 1+2 / D1+C2
Largeur 17,5 mm
Longueur 75 mm
Mise à la terre par : Circuit de raccordement/rail DIN
Modèle 2x2 pôles
Montage Entrée/sortie Bornes à vis
Niveau de protection blindage - terre (S-PE) 1300 V
Niveau de protection fil/fil 130 V
Niveau de protection fil/terre 1600 V
Nombre de pôles 4
Norme de contrôle CEI 61643-21
Plage de températures d’utilisation max. 80 °C
Plage de températures d’utilisation min. -40 °C
Raccordement du blindage indirect
Raccordement du blindage disponible oui
Résistance au courant de choc fil - fil 10 kV / 5 kA
Résistance au courant de choc fil - terre 10 kV / 5 kA
Résistance longitudinale 1.2 ± 5%
Résistance série par voie 1,2 Ω ± 5%
Section de raccordement flexible max. 1,5 mm²
Section de raccordement flexible min. 0,14 mm²
Section de raccordement multifilaire max. 2,5 mm²
Section de raccordement multifilaire min. 0,14 mm²
Section de raccordement rigide max. 2,5 mm²
Section de raccordement rigide min. 0,14 mm²
Signalisation sur l'appareil aucun
SPD selon CEI 61643-1 classe I+II
SPD selon CEI 61643-21 Classe I+II / D1+C2
Tension max. permanente CA 12 V
Tension max. permanente CC 16 V
Type selon EN 61643-11 Type 1+2
ZPF 0→2
Tous les types

Tous les types

Type Nombre de pôles Modèle Tension max. permanente CA Tension max. permanente CC Connectique Réf. Quantité Plus petite unité de vente
PDP-2x2-5-I-OS 4 2x2 pôles 4,2 V 6 V Borne 5080365
1 Pièce
PDP-2x2-12-I-OS 4 2x2 pôles 12 V 16 V Borne 5080367
1 Pièce
PDP-2x2-24-I-OS 4 2x2 pôles 21 V 30 V Borne 5080369
1 Pièce
PDP-2x2-48-I-OS 4 2x2 pôles 37 V 52 V Borne 5080371
1 Pièce
Téléchargements

Télécharger

Déclaration de conformité UE PDP-2x2-12-I-OS / 5080367 , 0.18MB , pdf
Télécharger

Télécharger
Télécharger

PDP-2x2-12-I-OS / 5080367
Télécharger