Protection moyenne et fine FLD pour systèmes à deux conducteurs, 5 V

Réf. 5098600 | EAN 4012195578369

2
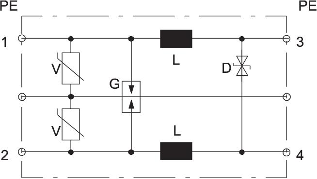
Borne
Description du produit
Description du produit
Protection contre les surtensions pour mesure, commande et régulation

 

• Protections moyenne et fine

• Modèle standard pour systèmes à deux conducteurs

• Circuit de protection à deux niveaux

• Avec bornes de raccordement sans vis et faciles à monter

• En dimension modulaire de 17,5 mm de faible encombrement

• Avec découplage inductif sur la branche longitudinale

 

Application : utilisation universelle sur rail profilé de 35 mm dans tout type de coffret.
  • Underwriters Laboratories Inc., USA
  • Garantie 5 ans
  • Communautés Européennes, Déclaration de conformité CE selon les directives CE
  • Passage de ZPF 0 jusqu'à 3
  • Installations de mesure, commande et régulation
  • Expertise électrotechnique de l'installation
  • Empreinte CO₂ (PCF)
  • Emballage sans plastique
Caractéristiques techniques

Caractéristiques techniques

Affaiblissement d’insertion (insertion loss) 3 dB @ 180 kHz dB
Capacité (ligne/ligne) <10 nF
Capacité (ligne/terre) <1 nF
Connectique Borne
Contact de télécommunication non
Courant de charge nominal CA 0,7 A
Courant de charge nominal CC 1 A
Courant de choc de décharge 1,5 kA
Courant de choc de décharge total (10/350) D1: 3 kA
Courant de décharge nominal (8/20) 5 kA
Courant de décharge total (8/20) 10 kA
Dimension 5V AC
Empreinte CO2 (GWP) du berceau à la porte 0,2664 kg CO2e / 1 Pièce
Fréquence limite 0,18 MHz
Homologations UL
Indice de protection IP20
Inductance série par fil 120 µH ± 20 %
Kategorie Type 1+2+3 / D1+C2+C1
Largeur en modules (17,5 mm) 1
Mise à la terre par : Borne
Modèle testé antidéflagrant non
Niveau de protection fil/fil <15 V
Niveau de protection fil/terre <600 V
Nombre de pôles 2
Norme de contrôle CEI 61643-21
Plage de températures d’utilisation max. 80 °C
Plage de températures d’utilisation min. -40 °C
Raccordement du blindage disponible non
Résistance au courant de choc fil - fil C1: 1 kV / 0,5 kA (8/20µs)
Résistance au courant de choc fil - terre C2: 10 kV / 5 kA (8/20µs)
Résistance d’isolation >1 MΩ
Section de raccordement flexible max. 2,5 mm²
Section de raccordement flexible min. 0,14 mm²
Section de raccordement multifilaire max. 2,5 mm²
Section de raccordement multifilaire min. 0,14 mm²
Section de raccordement rigide max. 2,5 mm²
Section de raccordement rigide min. 0,14 mm²
SPD selon CEI 61643-21 Classe I+II+III / D1+C2+C1
Tension max. permanente CA 5 V
Tension max. permanente CC 8 V
ZPF 0→3
Tous les types

Tous les types

Type Nombre de pôles Tension max. permanente CA Tension max. permanente CC Connectique Réf. Quantité Plus petite unité de vente
FLD 5 2 5 V 8 V Borne 5098600
1 Pièce
FLD 12 2 9 V 13 V Borne 5098603
1 Pièce
FLD 24 2 19 V 28 V Borne 5098611
1 Pièce
FLD 48 2 37 V 53 V Borne 5098630
1 Pièce
FLD 110 2 86 V 122 V Borne 5098646
1 Pièce
Téléchargements

Télécharger

Déclaration de conformité UE FLD 5 / 5098600 , 0.13MB , pdf
Télécharger
REACH Déclaration de conformité FLD 5 / 5098600 , 0.10MB , pdf
RoHS Déclaration de conformité FLD 5 / 5098600 , 0.13MB , pdf

Télécharger
Télécharger

FLD 5 / 5098600
Télécharger