Protection MSR pour alimentation électrique à 2 pôles 230 V AC avec report d'alarme

Réf. 5097858 | EAN 4012195578215

5097858 / VF230-AC-FS
255 V
IP20
Description du produit
Description du produit
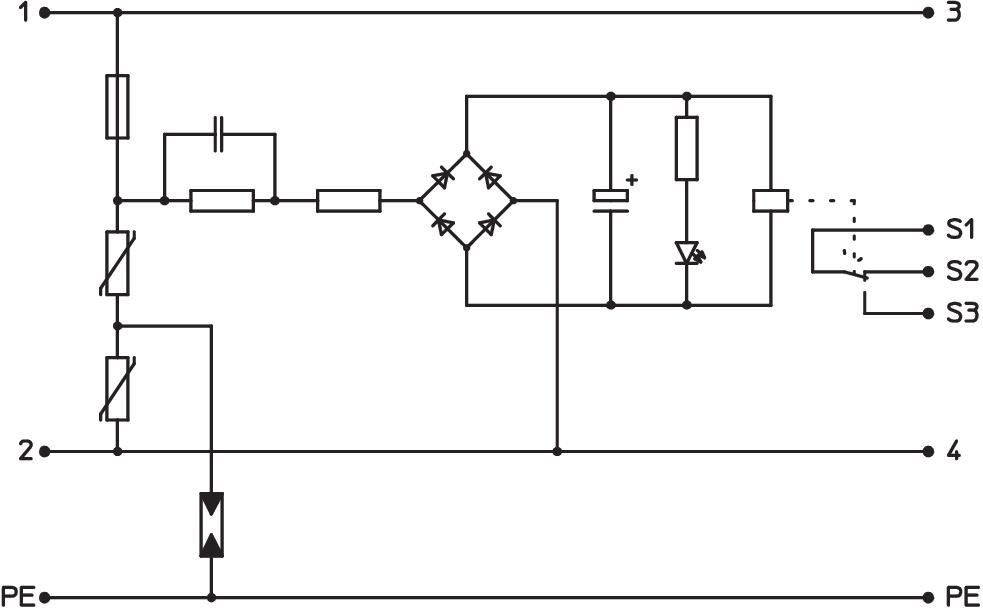
Parasurtenseur / protection fine type 3 selon NF EN 61643-11 avec report d'alarme

 

• Avec report d'alarme par contact inverseur libre de potentiel

• Compatible avec systèmes à tension continue et alternative

• Avec voyant d'état

• Avec bornes de raccordement sans vis et faciles à monter

• Largeur 1 module (17,5 mm)

• Circuit en Y

 

Application : utilisation universelle sur rail profilé de 35 mm dans les armoires de distribution.
  • MAGYAR ELEKTROTECHNIKAI ELLENŐRZŐ INTÉZET Budapest, Hongrie
  • Garantie 5 ans
  • Communautés Européennes, Déclaration de conformité CE selon les directives CE
  • Protection selon NF EN 61643-11 (IEC 61643-11)
  • Passage de LPZ 2 à 3
  • Report d'alarme
  • Expertise électrotechnique de l'installation
  • Empreinte CO₂ (PCF)
  • Emballage sans plastique
Caractéristiques techniques

Caractéristiques techniques

classe d'essais type 3 oui
Coupe-feu non
Courant de décharge maximal (8/20 μs) 7 kA
Courant de décharge nominal (8/20) 2,5 kA
Dimension 230V AC
Empreinte CO2 (GWP) du berceau à la porte 0,8639 kg CO2e / 1 Pièce
Indice de protection IP20
Modèle testé antidéflagrant non
Niveau de protection commun [L-PE] 1500 kV
Niveau de protection fil/fil <1060 V
Niveau de protection fil/terre <1400 V
Niveau de protection [L-N] ≤1000
Nombre de pôles 3
OBO_Nennlaststrom (Ein- / Ausgangsklemme) 20 A
Plage de températures d’utilisation max. 80 °C
Plage de températures d’utilisation min. -40 °C
Report d'alarme oui
Report d'alarme Contact inverseur
Section de conducteur rigide (unifilaire/multifilaire) max. 2,5 mm²
Section de conducteur rigide (unifilaire/multifilaire) min. 0,14 mm²
Signalisation sur l'appareil optique
SPD selon CEI 61643-1 classe III
Température de service max. 80 °C
Température de service min. -40 °C
Temps de réponse <25 ns
Tension max. permanente CA 255 V
Tension nominale CA (50 / 60 Hz) 230 V
Type de montage Rail DIN 35 mm
Type du réseau autres
Type selon EN 61643-11 Type 3
ZPF 2→3
Tous les types

Tous les types

Type Tension max. permanente CA Indice de protection Réf. Quantité Plus petite unité de vente
VF230-AC-FS 255 V IP20 5097858
1 Pièce
Téléchargements

Télécharger

Télécharger

Déclaration de conformité UE VF230-AC-FS / 5097858 , 0.13MB , pdf
Télécharger

Télécharger
Télécharger

Aucun texte d'appel d'offres n'est disponible pour ce produit