Échelle à câbles LG 60, 3 m NS FT

Réf. 6208506 | EAN 4012195063957

3000 mm
1,5 mm
non
Acier
galvanisé par bande
Description du produit
Description du produit
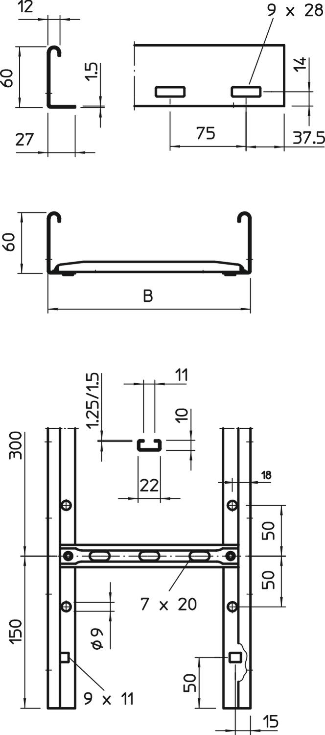
Echelle à câbles avec longeron latéral perforé d'une hauteur d'aile de 60 mm, avec échelons NS rivetés (profilé en C) ouverts vers le haut.
Atténuation magnétique du blindage sans couvercle 10 dB, avec couvercle 15 dB.

L'échelle à câbles est livrée repliée.

Vous trouverez la bride de fixation adaptée de type 2056N dans la section des systèmes d'échelles verticales.

  • Atténuation magnétique du blindage
  • Communautés Européennes, Déclaration de conformité CE selon les directives CE
  • Déclaration de conformité UKCA
  • Échelles à câbles, hauteur d'aile 60 mm
  • Déclaration environnementale de produits (EPD)
  • Empreinte CO₂ (PCF)
Caractéristiques techniques

Caractéristiques techniques

Acier inoxydable, teint non
Couleur zinc
Dimension 60x200x3000
Dimensions 60x200x3000
Distance entre support 4,0m 0,4 kN/m
Distance entre supports 2,0m 2 kN/m
Distance entre supports 1,5m 3,1 kN/m
Distance entre supports 2,5m 1,5 kN/m
Distance entre supports 3,0m 1 kN/m
Distance entre supports 3,5m 0,6 kN/m
Écart entre échelons 300 mm
Empreinte CO2 (GWP) du berceau à la porte 5,9221 kg CO2e / 1 Mètre
Épaisseur de longeron 1,5 mm
Fixation des échelons à rivets aveugles
Hauteur 60 mm
Largeur 200 mm
Longueur 3000 mm
Maintien en fonction non
Matériau Acier
Modèle de longeron latéral profilé plat
Modèle des échelons Profilé perforé
Modèle longue portée non
Perforation latérale oui
Section utile 9800 mm²
Section utile 98 cm²
Surface galvanisé par bande

Caractéristiques techniques

Diagramme de charge échelle à câbles type LG 60 NS

Diagramme de charge échelle à câbles type LG 60 NS
  • Charge de chemins de câbles/d'échelles à câbles en kN/m sans charge d'homme Charge de chemins de câbles/d'échelles à câbles en kN/m sans charge d'homme
  • Portée en m Portée en m
  • Déflexion de l'aile en mm avec kN/m autorisé Déflexion de l'aile en mm avec kN/m autorisé
  • Schéma de charge pour le procédé de contrôle Schéma de charge pour le procédé de contrôle
  • Courbe de charge avec largeur du chemin de câbles/de l'échelle à câbles en mm Courbe de charge avec largeur du chemin de câbles/de l'échelle à câbles en mm
  • Courbe de déflexion de l'aile en fonction de l'écartement Courbe de déflexion de l'aile en fonction de l'écartement
Tous les types

Tous les types

Type Longueur Largeur Épaisseur de longeron Maintien en fonction Matériau Surface Réf. Quantité Plus petite unité de vente
LG 620 NS 3 FS 3000 mm 200 mm 1,5 mm non Acier galvanisé par bande 6208506
3 m
LG 630 NS 3 FS 3000 mm 300 mm 1,5 mm non Acier galvanisé par bande 6208509
3 m
LG 640 NS 3 FS 3000 mm 400 mm 1,5 mm non Acier galvanisé par bande 6208512
3 m
LG 650 NS 3 FS 3000 mm 500 mm 1,5 mm non Acier galvanisé par bande 6208515
3 m
LG 660 NS 3 FS 3000 mm 600 mm 1,5 mm non Acier galvanisé par bande 6208518
3 m
Accessoires

Accessoires système

Produits Type Réf. Quantité Plus petite unité de vente
Couvercle avec verrou tournant FS Couvercle avec verrou tournant FS DRL 200 FS 6052207
3 m

Accessoires de montage

Produits Type Réf. Quantité Plus petite unité de vente
Cloison de séparation 45 FS Cloison de séparation 45 FS TSG 45 FS 6062033
3 m
Pièce de serrage pour fixation du séparateur A2 Pièce de serrage pour fixation du séparateur A2 KS KL A2 6062284
30 Pièce
Raccord droit FS Raccord droit FS LVG 60 FS 6208840
10 Pièce
Embout de protection 60 Embout de protection 60 SKH 60 OR 6222537
40 Paire
Éclisse multifonction FS Éclisse multifonction FS LMFV 630 FS 6225712
1 Pièce
Téléchargements

Télécharger

Déclaration de conformité UE LG 620 NS 3 FS / 6208506 , 0.13MB , pdf
Télécharger
Déclaration de conformité du Royaume-Uni LG 620 NS 3 FS / 6208506 , 0.09MB , pdf
Déclaration environnementale de produits (EPD) LG 620 NS 3 FS / 6208506 , 1.48MB , pdf
Télécharger

Télécharger

LG 620 NS 3 FS / 6208506
Télécharger