Échelle à câbles LG 60, 6 m VS FS

Réf. 6208639 | EAN 4012195064312

6000 mm
1,5 mm
Acier
galvanisé par bande
Description du produit
Description du produit
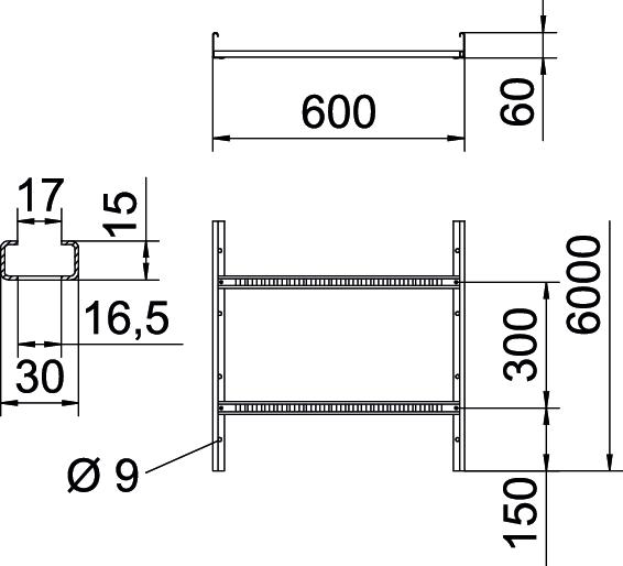
Echelle à câbles avec longeron latéral perforé d'une hauteur d'aile de 60 mm, avec échelons NS rivetés (profilé en C) ouverts vers le haut.
Atténuation magnétique du blindage sans couvercle 10 dB, avec couvercle 15 dB.

L'échelle à câbles est livrée repliée.

Les câbles peuvent être fixés avec la bride de fixation correspondante de type 2056.

Les échelles de câbles de 200 à 400 mm de largeur sont également autorisées pour le montage vertical en tant qu’échelles verticales dans les installations dotées de sécurité de fonctionnement conformément à la norme DIN 4102, partie 12. Les câbles peuvent être fixés avec la bride de fixation rapide autorisée pour la sécurité de fonctionnement de type 2056 M.

  • Atténuation magnétique du blindage
  • Communautés Européennes, Déclaration de conformité CE selon les directives CE
  • Déclaration de conformité UKCA
  • Déclaration environnementale de produits (EPD)
  • Empreinte CO₂ (PCF)
Caractéristiques techniques

Caractéristiques techniques

Acier inoxydable, teint non
Cote B 600 mm
Couleur zinc
Dimension 60x600x6000
Dimensions 60x600x6000
Distance entre support 4,0m 0,45 kN/m
Distance entre support 5,0m 0,15 kN/m
Distance entre supports 2,0m 2,25 kN/m
Distance entre supports 1,5m 3,1 kN/m
Distance entre supports 2,5m 1,5 kN/m
Distance entre supports 3,0m 1,1 kN/m
Distance entre supports 3,5m 0,75 kN/m
Distance entre supports 4,5m 0,3 kN/m
Écart entre échelons 300 mm
Empreinte CO2 (GWP) du berceau à la porte 8,6386 kg CO2e / 1 Mètre
Épaisseur de longeron 1,5 mm
Fente de l’échelon 16,50
Fixation des échelons à rivets aveugles
Hauteur 60 mm
Largeur 600 mm
Longueur 6000 mm
Maintien en fonction non
Matériau Acier
Modèle de longeron latéral profilé plat
Modèle des échelons Profilé perforé
Modèle longue portée non
Perforation latérale oui
Section utile 29800 mm²
Section utile 298 cm²
Surface galvanisé par bande

Caractéristiques techniques

Diagramme de charge échelle à câbles type LG 60 VS

Diagramme de charge échelle à câbles type LG 60 VS
  • Charge de chemins de câbles/d'échelles à câbles en kN/m sans charge d'homme Charge de chemins de câbles/d'échelles à câbles en kN/m sans charge d'homme
  • Portée en m Portée en m
  • Déflexion de l'aile en mm avec kN/m autorisé Déflexion de l'aile en mm avec kN/m autorisé
  • Schéma de charge pour le procédé de contrôle Schéma de charge pour le procédé de contrôle
  • Courbe de charge avec largeur du chemin de câbles/de l'échelle à câbles en mm Courbe de charge avec largeur du chemin de câbles/de l'échelle à câbles en mm
  • Courbe de déflexion de l'aile en fonction de l'écartement Courbe de déflexion de l'aile en fonction de l'écartement
Tous les types

Tous les types

Type Longueur Largeur Épaisseur de longeron Maintien en fonction Matériau Surface Réf. Quantité Plus petite unité de vente
LG 620 VS 6 FS 6000 mm 200 mm 1,5 mm oui Acier galvanisé par bande 6208627
6 m
LG 630 VS 6 FS 6000 mm 300 mm 1,5 mm oui Acier galvanisé par bande 6208630
6 m
LG 640 VS 6 FS 6000 mm 400 mm 1,5 mm oui Acier galvanisé par bande 6208633
6 m
LG 650 VS 6 FS 6000 mm 500 mm 1,5 mm non Acier galvanisé par bande 6208636
6 m
LG 660 VS 6 FS 6000 mm 600 mm 1,5 mm non Acier galvanisé par bande 6208639
6 m
Accessoires

Accessoires système

Produits Type Réf. Quantité Plus petite unité de vente
Couvercle avec verrou tournant FS Couvercle avec verrou tournant FS DRL 600 FS 6052606
3 m
Raccord droit FS Raccord droit FS LVG 60 FS 6208840
10 Pièce
Raccord coudé 60 FS Raccord coudé 60 FS LWVG 60 FS 6208895
10 Pièce
Raccord articulé FS Raccord articulé FS LGVG 60 FS 6208941
10 Pièce
Éclisse multifonction FS Éclisse multifonction FS LMFV 660 FS 6225718
1 Pièce
Coude à 90° 60 FS Coude à 90° 60 FS LB 90 660 R3 FS 6225050
1 Pièce
Pièce en Té 60 FS Pièce en Té 60 FS LT 660 R3 FS 6225218
1 Pièce
Élément de coude articulé 60 FS Élément de coude articulé 60 FS LGBE 660 FS 6225458
1 Pièce
Embout de protection 60 Embout de protection 60 SKH 60 OR 6222537
40 Paire
Pièce de raccordement FS Pièce de raccordement FS LAS 60 FS 6221351
10 Pièce
Cloison de séparation 45 FS Cloison de séparation 45 FS TSG 45 FS 6062033
3 m
Tôle de fond FS Tôle de fond FS ELB-L 60 FS 6103332
3 m
Téléchargements

Télécharger

Déclaration de conformité UE LG 660 VS 6 FS / 6208639 , 0.13MB , pdf
Télécharger
Déclaration de conformité du Royaume-Uni LG 660 VS 6 FS / 6208639 , 0.09MB , pdf
Déclaration environnementale de produits (EPD) LG 660 VS 6 FS / 6208639 , 1.48MB , pdf
Télécharger

Télécharger

LG 660 VS 6 FS / 6208639
Télécharger