Pack de protection MCD + V20 à 3 pôles avec report d'alarme

Réf. 5089757 | EAN 4012195816614

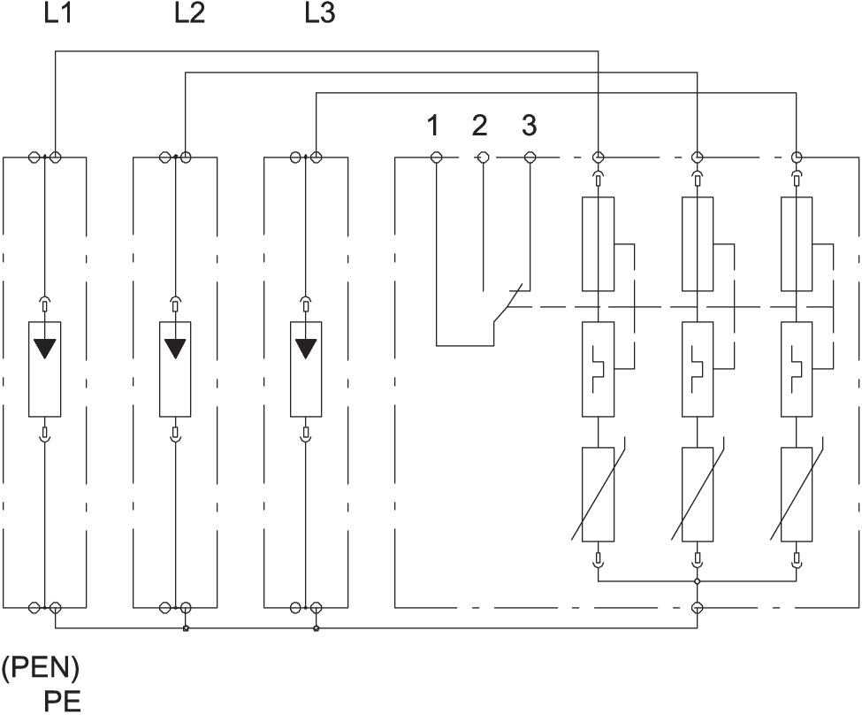
5089757 / PS3-B+C-320+FS
3
320 V
IP20
Description du produit
Description du produit
Kit de protection, combinaison de parafoudres de type 1+2

• Pour la liaison équipotentielle de protection contre la foudre selon VDE 0185-305 (CEI 62305)
• Capacité de dérivation du courant de foudre jusqu'à 50 kA (10/350) par pôle
• Parafoudre enfichable, avec ponts de raccordement, bornes de raccordement marquées
• Parafoudre blindé et sans purge à utiliser dans les boîtiers de distribution

Application : systèmes de téléphonie mobile et installations industrielles avec des exigences particulières.
  • Courant de foudre testé
  • Garantie 5 ans
  • Communautés Européennes, Déclaration de conformité CE selon les directives CE
  • EurAsian Conformity
  • Réseau 230/400 V
  • Protection combinée de type 1 et type 2
  • Passage de ZPF 0 jusqu'à 2
  • Report d'alarme
  • Empreinte CO₂ (PCF)
  • Emballage sans plastique
  • Emballage intégralement composé de carton recyclé
Caractéristiques techniques

Caractéristiques techniques

Calibre de fusible maximum 125 A
Courant de choc de décharge (10/350 μs) 50 kA
Courant de décharge maximal (8/20 μs) 100 kA
Courant de décharge maximal (8/20 µs) [total] 100 kA
Courant de décharge nominal (8/20) 100 kA
Courant de foudre (10/350) [total] 100 kA
Dimension 320V
Empreinte CO2 (GWP) du berceau à la porte 7,9973 kg CO2e / 1 Pièce
Indice de protection IP20
Modèle 3
Modèle 3 pôles ; 320 V
Niveau de protection [L-N] ≤1,7
Plage de températures d’utilisation max. 80 °C
Plage de températures d’utilisation min. -40 °C
Protection max contre les surintensités côté réseau 125
Report d'alarme oui
Résistance aux courts-circuits 25 kA
Résistance aux courts-circuits avec la protection maximale contre les surtensions côté réseau 25 kA
Section de conducteur rigide (unifilaire/multifilaire) max. 50 mm²
Section de conducteur rigide (unifilaire/multifilaire) min. 10 mm²
Signalisation sur l'appareil optique
SPD selon CEI 61643-1 classe I+II
Température de service max. 80 °C
Température de service min. -40 °C
Temps de réponse <25 ns
Tension continue max. (N-PE) 255 V
Tension continue max. (L-N) 255 V
Tension max. permanente CA 320 V
Tension nominale CA (50 / 60 Hz) 230 V
Type selon EN 61643-11 Type 1+2
ZPF 0→2
Tous les types

Tous les types

Type Modèle Tension max. permanente CA Indice de protection Réf. Quantité Plus petite unité de vente
PS3-B+C-320+FS 3 320 V IP20 5089757
1 Pièce
Téléchargements

Télécharger

Télécharger
Télécharger
Télécharger

Télécharger
Télécharger

PS3-B+C-320+FS / 5089757
Télécharger