Parafoudre et parasurtenseur à 1 pôle + NPE avec report d'alarme

Réf. 5093661 | EAN 4012195688433

280 V
IP20
Description du produit
Description du produit
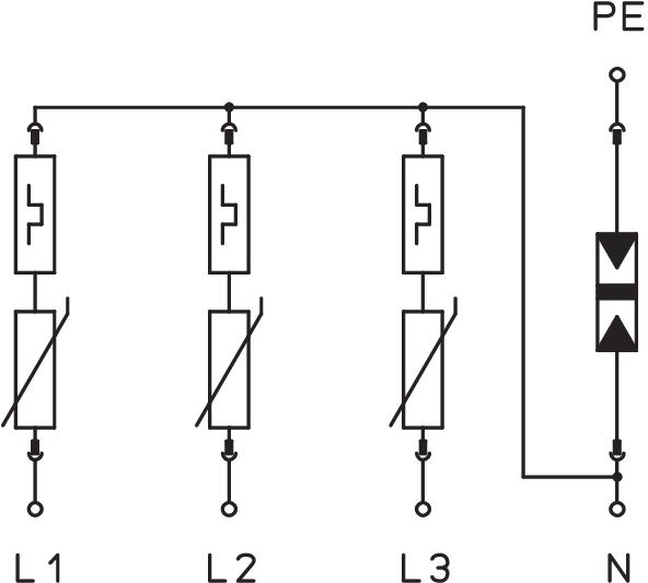
Parafoudre combiné, parafoudre et parasurtenseur de type 1+2 selon la norme DIN EN 61643-11.


• Pour la liaison équipotentielle de protection contre la foudre selon la norme VDE 0185-305 (CEI 62305)
•Capacité d'écoulement du courant de foudre 12,5 kA (10/350)
• Convient universellement pour les systèmes TN et TT
• Avec socle Multibase avec bornes de raccordement multiples
• Unité complète, comprenant un socle et un couvercle, prémontée et prête à être raccordée
• Parafoudre enfichable avec dispositif de coupure dynamique
• Avec affichage visuel de la fonction
• Niveau de protection <1,3 kV
• Parafoudre à varistance d'oxyde de zinc blindée et sans purge, pour utilisation dans des boîtiers de distribution
• Raccordements marqués
• Variante FS avec contact de télécommunication (contact à fermeture libre de potentiel)


Application : Liaison équipotentielle de protection contre la foudre dans les bâtiments également dotés d'une protection extérieure contre la foudre des classes III et IV et dans les boîtiers de distribution du commerce.
* Complet = cartouche(s) et base
  • Garantie 5 ans
  • Communautés Européennes, Déclaration de conformité CE selon les directives CE
  • EurAsian Conformity
  • Protection combinée de type 1 et type 2
  • Passage de ZPF 0 jusqu'à 2
  • Socle MultiBase
  • Report d'alarme
  • Empreinte CO₂ (PCF)
  • Emballage sans plastique
Caractéristiques techniques

Caractéristiques techniques

Autre type de réseau non
Calibre de fusible maximum 125 A
Coupe-feu non
Courant de choc de décharge (10/350 μs) 12,5 kA
Courant de décharge maximal (8/20 μs) 50 kA
Courant de décharge maximal (8/20 µs) [total] 50 kA
Courant de décharge nominal (8/20) 30 kA
Courant de décharge nominal (8/20 μs) [N-PE] 50 kA
Courant de foudre (10/350) [total] 25 kA
Courant décharge nominal (8/20 μs) [L-N] 30 kA
Dimension 280V
Empreinte CO2 (GWP) du berceau à la porte 1,1123 kg CO2e / 1 Pièce
fusible de puissance intégré non
Indice de protection IP20
Modèle 1+NPE + FS
Modèle 1+N/PE
Niveau de protection [L-N] ≤1,3
Nombre de pôles 1
Plage de températures d’utilisation max. 80 °C
Plage de températures d’utilisation min. -40 °C
Protection max contre les surintensités côté réseau 125
Report d'alarme oui
Section de conducteur rigide (unifilaire/multifilaire) max. 35 mm²
Section de conducteur rigide (unifilaire/multifilaire) min. 2,5 mm²
Signalisation sur l'appareil optique
SPD selon CEI 61643-1 classe I+II
Température de service max. 80 °C
Température de service min. -40 °C
Temps de réponse <25 ns
Tension continue max. (N-PE) 255 V
Tension max. permanente CA 280 V
Tension nominale CA (50 / 60 Hz) 230 V
Type de montage Rail DIN 35 mm
Type de réseau CC non
Type de réseau IT non
Type de réseau TN oui
Type de réseau TN-C non
Type de réseau TN-C-S oui
Type de réseau TN-S oui
Type de réseau TT oui
Type du réseau autres
Type selon EN 61643-11 Type 1+2
ZPF 0→2
Tous les types

Tous les types

Type Modèle Tension max. permanente CA Indice de protection Réf. Quantité Plus petite unité de vente
V50-B+C 3+NPE+FS 3+N/PE 280 V IP20 5093662
1 Pièce
V50-B+C 1+NPE+FS 1+N/PE 280 V IP20 5093661
1 Pièce
Téléchargements

Télécharger

Télécharger
Télécharger
Télécharger

Télécharger
Télécharger

V50-B+C 1+NPE+FS / 5093661
Télécharger